
2000
March 26, 2000
Version 1.0
Edited by:
Robert K. Corson
Chairman
IWSF Tournament Council
INTERNATIONAL WATER SKI FEDERATION
2000 Technical Rules for Water Ski Tournaments
-- Please mail comments to bcorson@home.com
Rule 3 DIVISIONS OF COMPETITION
Rule 4 TOURNAMENT ENTRY REQUIREMENTS
Rule 5 OVERALL AND TEAM COMPETITION
Rule 10 BOATS - SKIS - TOW LINES
Rule 11 BOAT SPEEDS AND TOLERANCES
WORLD RANKING LIST DESCRIPTION AND SCHEDULE
DIAGRAM 1 - OFFICIAL SLALOM COURSE
DIAGRAM 2 - OFFICIAL JUMP COURSE
DIAGRAM 3 - OFFICIAL TRICK COURSE
DIAGRAM 4 - Optional Jump Course Turn Buoy
DIAGRAM 5 - Optional Slalom Course Turn Buoy and Pre-Gates
DIAGRAM 6 - Slalom Judging Tower Placement
DIAGRAM 7 - Pylon Specification Drawing
DIAGRAM 8 - Allowable Floating Course Structure
DIAGRAM 9 - Handle Measurement Device Dimensions
COMPUTER BENCHMARK FOR COMPUTED DISTANCES
Specific Inscribed Circle Algorithm Description
Official Homologation Dossier for L & R Tournaments
These rules supersede all previous editions and addenda and shall remain in effect until an amended edition of the rules is published. All rules added or changed since the 1995 edition are bold-italicized. In the web only version, the changes will also be colored red. Changes added between the 1998 Rules and the 1999 Rules will be colored green. Changes added between the 1999 Rules and the 2000 Rules will be colored blue. These rules have been drafted in English. In the case of conflicting interpretation, only the English text shall be considered authentic. All correspondence regarding these rules should be addressed to the Chairman of the Tournament Council: Mr. Robert K. Corson, 23 Fox Hollow Road, Voorhees, New Jersey 08043, U.S.A.
email: bcorson@home.com
The rules set forth here govern tournaments sanctioned by the International Water Ski Federation. With the exception of entry requirements and other administrative matters, the Regions must follow these rules for their sanctioned tournaments. It is requested that Federations establish rules as close to these rules as possible. Whenever the masculine is used, the same shall be construed as meaning the feminine where the context so requires.
The World Championships shall be held biennially in odd numbered years.
Where compliance with the rules is not feasible, the Chief Judge shall, with the approval of the majority of the Appointed Judges, make the necessary changes, inform each contestant by posting, and send a report to the Tournament Council. Where the rules are definite and feasible, a vote of the Judges to decide whether to enforce any provision is prohibited.
Questions of interpretation of the rules shall be referred to the Tournament Council when possible. Any interpretation made by the Tournament Council as a whole shall be considered final. Otherwise the interpretation shall be made by a majority vote of the Appointed Judges, and the Chief Judge shall make a report to the Tournament Council concerning the question.
Amendments made prior to the biennial revision of the rules must be approved by a two-thirds (2/3) majority of the members of the Tournament Council. The rules may be amended at any time by the Tournament Council. The amended rules shall become effective sixty (60) days after they are sent to each affiliated Federation except in the case of new tricks submitted prior to September 30, which may be added by simple majority, and become effective immediately on November 30. All new tricks submitted must include a video showing the trick. Until such time as a new biennial edition of the rules is published, the current rules, as amended by the Tournament Council, remain in effect. A unanimous decision of the members of the Tournament Council is immediately applicable.
Under the authority of the Tournament Council Chairman, proposed rules may be tested. The Chairman shall determine the appropriate homologation level under the test conditions. A complete report of the results of the test will be made by the Homologator and Chief Judge and sent to the Chairman for distribution to the Tournament Council.The inability for one reason or another of a country to attend the World Tournament (including political reasons) does not require that the entire competition be canceled or postponed or that the titles are any less world titles.
Unless otherwise specifically stated, every vote of the Appointed Judges or the Event Judges shall be decided by a simple majority of the judges voting. In the event of a tie, the Chief Judge shall cast the tie-breaking vote. All issues should be settled before the next contestant starts.
It may be required that skiers must wear identifying bibs while skiing. The bibs must be of a design approved by the Chairman of the IWSF Tournament Council. The central feature of the bib will be an identifying number on both the front and back of the bib. The individual digits of the number must be a minimum of 15 cm in height and be clearly visible from a distance. The design must allow for use of an arm sling in jumping and also be snug so that it does not interfere with the free movement required in tricks. The bibs will be given to each team captain before the competition for distribution to his team. Spare bibs, with no numbers, should be available at the starting dock in case a skier's bib is damaged and unusable. Skiers must each wear the bib with the number assigned to them only.
All competitors must agree to be subject to doping control. Specific policies and procedures regarding doping control shall be detailed in the Medical Regulations of the International Water Ski Federation. N.B. For Reference Sanctions for deliberate doping: e.g. Anabolic steroids, amphetamine type stimulants, caffeine, cocaine, narcotics and designer drugs 3 years for the first offense Life ban for the second offense Sanctions for inadvertent use of banned drugs: e.g. ephedrine, codeine 3 months for the first offense 2 years for the second offense including the next World Championship Life ban for the third offense
Any contestant (or his representative) or official whose conduct is deemed unsportsmanlike or whose conduct may cause discredit to the IWSF, either on or off the tournament site, before during, or after the tournament, may be disqualified from all or part of the tournament including completed events and/or be subject to a fine to be determined by the IWSF Executive Board, by a two-thirds majority vote of the Appointed Judges. The affected individual will be given an opportunity to present his case before a disqualification decision is made. In the case of a finding of unsportsmanlike conduct, a report must be submitted by the Chief Judge to the Chairman of the IWSF Tournament Council. If the Executive Board assesses a fine, it will be paid by the skier's Federation.
All tolerances are to allow for human error and the intentional use of tolerances by tournament officials to improve skier performance will not be tolerated. In any activity involving the performance of an official where a tolerance is involved, it is the official's responsibility to attempt to be as close as possible to the actual specification.
The events in a tournament are jumping, slalom, and tricks, with a champion and succeeding places determined in each event. A champion and succeeding places shall also be determined for the Overall and for the National teams as described in Rule 5.
Each event shall consist of two rounds; a preliminary round and a final round.
All skiers qualified to ski in an event must ski in the preliminary round of that event.
A skier must score (more than 0) in the preliminary round to qualify for the final.
Basic Rule
The first eight placed skiers based on the results of the preliminary round, shall be qualified to ski in the final round of that event. If, within these first eight placed skiers, there are any non team (individual) skiers then an equivalent number of the next highest placed team skiers shall join the finals so that there are eight team skiers in the finals.
Team skiers
The eight highest placed team skiers in the Preliminary rounds will proceed to the Final round. (but, see Ties below)
Individual skiers
Individual skiers may go into the final ONLY if they finish in the first eight places of the Preliminary rounds. (but, see Ties below)
Ties
Where only team skiers are involved: 
 In
the case of a tie for any position which may result in more than eight
team skiers going through to the final round there will be a run off between
the tied team skiers so that only eight team skiers go into the finals.
Where team and individual skiers are involved.
In the case of a tie which involves individual skiers where more than eight skiers (team or individual) are placed in the first eight places (e.g. 4 skiers tied at 6th) a run off shall be held between the tied skiers to establish a clear cut off at eighth place. Any resultant tie(s) shall also be run off until a clear cut off at eighth place is achieved. Any individual skier involved in the run off and finishing below eighth place will not proceed to the finals - see basic rule.
Not later than two months before the start of the tournament, the Tournament Chairman shall send to each affiliated Federation, by air mail, a schedule showing the days on which the tournament events will be held. The schedule of events for both the preliminary and final rounds shall be drawn up by the Chief Judge, the Chairman of the Tournament Council and the Tournament Chairman and posted prior to the start of the first event. This list shall include starting time for each day. A schedule of starting times for individual events, if shown, shall be for the guidance of the contestants only, and any deviation shall not constitute a change. It is recommended that jumping be scheduled as the last event in both the preliminary and final rounds.
Changes in the schedule during the tournament shall be made only for weather, water conditions, safety, or a similar reason. A majority of the Appointed Judges must approve the change, and all affected contestants shall be notified by posting. Although schedule changes are to be discouraged, the Judges should not hesitate to make adjustments required for safety. Once the tournament has started, the Judges do not have the authority to cancel any event, except in the case of a definite safety hazard; and, if possible, the tournament must be completed, even if the Judges are obliged to continue it in a neighboring community.
If by a 2/3 majority decision, the appointed judges decide it is impossible to complete the final round of one or more events in either division only the overall points from the preliminary round of all the events in that division will be used for overall placement and team scoring. In this case if an event final cannot be completed, placement in that event shall be based on the preliminary round results.
Each Federation shall certify to the Chairman of the Tournament Council and to the organizing committee, not later than 60 days before the scheduled start of the first event of the World Championships, its intent to compete. Any Federation not meeting this requirement will not be allowed to compete until they pay a fine of 200 Swiss Francs to the IWSF. Each Federation shall certify to the Chairman of the IWSF Tournament Council, the Chairman of the Region Tournament Council, and the organizing committee, not later than ten (10) days before the scheduled start of the first event of the World Championships, the names of the members of its team, the events each will enter, the ratings of each skier, as well as the names of the official reserves. Any Federation not meeting this requirement will not be allowed to compete until the Federation pays a fine of ten (10) Swiss Francs per skier per day after the 10-day deadline to the IWSF for each skier not officially entered. If the official entry forms are not received prior to the 24 hours before the start of the first event , the Federation's skier's places in the draw shall be determined by the Chief Judge without reference to their qualifying scores.
Official reserves shall be limited to two (2) per team.
The day before the start of a preliminary round the entry list shall be closed and thereafter the order of contestants made by random draw and posted. No change in this order is allowed except that a team representative may:
- Withdraw a skier from the competition.
- Replace, with the authority of the Chief Judge and before the start of the first event, that is to say before the first skier taking part in the first event has started, an injured skier by a qualified official reserve from the same team.
- The substitute skier shall start first in the seed in which he is qualified unless the draw has not yet been completed.
The competitors will be drawn in the following manner:
- Each of the three Regions will provide a list of their skiers drawn up in the order of their performances in each event, and a general classification list of all the skiers entered in the World Championships will be compiled from these lists.
- The skiers will then be divided into groups and each group shall be then drawn separately. The group size will normally be 15 men and 10 women but may be changed before the start of the tournament by the Chief Judge. (Cf., however, 13.01 for jumping order in the men's event). It is recommended that Series 1 and 2 for women and Series 1, 2 and 3 for men be scheduled so that these skiers will have similar conditions.
The Event Judges may reverse or change the starting order of these groups according to the prevailing conditions.
The order of the skiers qualified for the final round in any event shall be the reverse of their order of placement in the preliminary round of that event.
The order of contestants tied in placement shall be settled by random draw.
Any contestant who fails to be on hand and ready to ski when the boat is prepared to start shall be disqualified from the remainder of the event; however, the dock official may grant up to one additional minute of time for emergencies developing or discovered just prior to the contestant's turn to ski (e.g. ripped binding).
In the case where a skier has been disqualified or has scratched, a one-minute delay shall be granted to the next skier in the starting order if he was not on the starting dock at the time of disqualification. If more than one skier has been disqualified or has scratched, the time allotted to the next skier shall be one minute for each skier disqualified or scratched.
Once homologation starts, use of the site is under the authority of the Chief Judge until the completion of the tournament.
As a basic principle, there should be only one site chosen for the running of the events. A second site should not be used unless absolutely necessary.
Competition in each event shall be separated into a Men's and a Women's division. There shall be no age limitations on entrants.
Each Federation which is affiliated with the IWSF shall have the right to select a team of skiers to represent their Federation in the World Championships. The team shall consist of a maximum of six skiers, with the further limitation that no team may have more than four men or four women.
Skiers not selected for their national teams may qualify to compete in the World Championships as individuals only in the relevant event(s) if they meet one or more of the following criteria:
All skiers qualified as individuals must be entered by their Federation.
Skiers entering as individuals shall not have their scores count toward team standings.
The Rankings List used shall be the most recently published list.
A Federation may select its team in any manner it desires; however, each team member must be a citizen or applying for citizenship of the country which the Federation represents. In case of doubt as to the nationality of a competitor, the Judges normally will refer to his passport. If a skier does not have a passport from the country for which he is skiing, he must prove residence in the country for at least five years and membership in an affiliated club of the Federation. Each Federation shall certify to the Judges that all members of its team meet these qualifications.
Each skier entering at least two events (except those competing under Rule 4.07) shall have in his possession a rating card showing the following skiing classification in each event which he enters:
| Tricks | Slalom | Jumping | |
| Men | 4000 Points | 6@16m & 4@14.25m (58 km/h) | 43m | 
| Women | 3200 Points | 6@16m & 4@14.25m (55 km/h) | 31m | 
Each skier entering only one event (except those competing under Rule 4.07) shall have in his possession a rating card showing the following skiing classification in the event which he enters:
| Tricks | Slalom | Jumping | |
| Men | 5500 Points | 6 @ 13m (58 km/h) | 49m | 
| Women | 4000 Points | 6 @ 13m (55 km/h) | 34m | 
Rating cards shall be certified under the responsibility of the Chairman of the Tournament Council of the Region, or his designated representative, based on performance in tournaments sanctioned by the IWSF, a Region, or an affiliated Federation. If the ratings are more than one year old, the Chairman of the Tournament Council of the Region must satisfy himself that the skier is still qualified. Rating cards so certified shall be accepted by the Judges without further examination.
If a skier is qualified under 4.03 to compete in two events, he shall be allowed to compete in the third event if he possesses a valid rating card showing the following skiing classification in the third event.
| Tricks | Slalom | Jumping | |
| Men | 3000 Points | 6 @ 18.25m (58 km/h) | 36m | 
| Women | 2300 Points | 6 @ 18.25M (55 km/h) | 25m | 
Each Federation shall be entitled to a team of two competitors, male or female, whether qualified under rules 4.03 and 4.04 or not. Such a skier who is qualified in only one event or not qualified in any event may compete in only two events. In addition, the Federation organizing the World Championships shall be entitled to a team of six competitors, whether qualified or not.
Each competitor shall be awarded in each event a certain number of overall points according to the relationships of his score in the preliminary round to the best score in the event during the preliminary round by a skier who is an official member of a Federation team.
The best performance in an event in the preliminary round by a team skier shall be awarded 1000 points. All other performances shall be calculated according to the following formula where the term 'best score' refers to the best score by a team skier in the preliminary round.
The performance by a skier who is not an official member of his Federation's team shall not be taken into consideration in the calculation of the team score.
It is noted that a non-team skier who has entered on the basis of overall ranking may have an event score that exceeds 1000 points as calculated by the given event formulas.
For Tricks (Skier's score X 1000)/ Best Score
For Slalom (Skier's score plus 24) X 1000) /(Best score plus 24)
For a skier to receive credit for these extra 24 points, he must have successfully completed his first pass (see Rule 14.11).
For Jumping the formula is different for men and women.
Men: ((Skier's score minus 25) X 1000)/ (Best Score minus 25)
Women: ((Skier's score minus 17) X 1000) /(Best Score minus 17)
A skier's overall score in jumping shall not be reduced below zero.
Individual overall points shall be calculated on the Preliminary round results. Scores obtained in running off a tie shall not be counted towards overall.
To be considered for Overall standings, a contestant must have received points in all three events.
The top 4 placed male and top 4 placed female Individual Overall skiers from the Preliminary round shall go forward to the Overall Finals.
The contestants placed 5th and below in the Preliminary rounds shall maintain that order in the official results for Overall placement.
In the case where an overall finals is not scheduled separately, the overall scoring will be determined with the best score of either round being used. In the case where an overall finals cannot be held due to weather - the rule will revert to cancellation and the results of the preliminary round only will count.
In team competition, the best three Overall scores, men or women, in each event (in the eliminations or finals) shall be summed up to obtain the team score.
The performance by a skier who is not an official member of his Federation's team shall not be taken into consideration in the calculation of the team score.
The performance of skiers participating in the Overall Finals shall not be taken into consideration in the calculation of the team score.
The scores of the event finals (excluding the overall final as noted) will be used in calculating the team scores and the "best score" used in the formulas in rule 5.01 will be the higher score of the preliminary or final round in each event for calculating the team scores which might be different than the Individual Overall scores since a higher performance might be achieved in an event final and thus change the team scores achieved in the preliminary round. This in no way affects the Individual Overall Scores already posted at the conclusion of the preliminary round.
The overall finals shall consist of each qualifying competitor receiving one round in each of the three events, slalom, tricks and jump. Separate men's and women's divisions will be held. The start order in each of the three events shall remain the same which shall be the reverse of the overall placement in the preliminary round.
The contestants shall slalom first according to all the rules of the slalom event. This will be followed by tricks and finally jump. (in the spirit of the rules, the optional lower heights of the jump should be allowed, if requested, which would potentially change the start order of the jump portion. If possible this should be avoided - potentially the top overall skiers will all be using the higher ramp setting).
The contestant with the highest overall score based on performances in this round only shall be the winner. Any tie will be resolved by first using the jump score as a tiebreaker. If they are tied, then the tricks score will be used as a tiebreaker. If there is still a tie, then they must also have tied in slalom and the tie will be resolved by a runoff in the jump event.
The men's and women's events will run together in the order of women's slalom, men's slalom, women's tricks, men's tricks, women's jump, men's jump.
Overall points will be allocated according to the formula in Rule 5.01 with "best score" being the best score in each event in the Overall Final.
Potential options for non-World Championships rules events.
At least six (6) months prior to the start of the World Tournament, the President of the IWSF shall appoint the Chief Judge for the World Tournament from among the Chief Judges proposed by each Region Tournament Council.
The President of the IWSF shall appoint for the World Tournament the Homologator, the Chief Calculator, and the assistant to the Chief Judge from among the officials proposed by each Region Tournament Council.
The Appointed Judges shall be selected by each Regional Council.
The appointment of the assistant to the Chief Judge must be made with the Chief Judge's approval.
The President of the World Tournament Council shall appoint a Chief Boat Driver and 2 to 4 additional boat drivers from among those proposed by each Region Tournament Council.
A maximum of two boat drivers may be from the country organizing the Tournament.
Assignment of the drivers to individual events shall be made by the Chief Boat Driver.
The Chief Judge shall supervise all judging and scoring operations and shall select the Judges and the assistants for each event. (For the choice of the Jury for each event, refer to articles 13.09, 14.13, 15.11).
The Chief Judge, who must not serve as an Event Judge, shall assign to his assistant those duties he deems appropriate.
The Judges chosen for the World Tournament must represent the Regions as follows:
Region I - 3 Judges minimum
Region II - 3 Judges minimum
Region III - 3 Judges minimum
A total of 10 judges shall be selected.
Each region will nominate a person for the 10th judge to be selected by the Chairman.
The Chief Judge and his assistant are not included in the above number.
If a Region is unable to propose the specified number of qualified Judges, the IWSF Tournament Council can appoint additional Judges from other Regions.
If two events are to be run at the same time on different sites, the IWSF Tournament Council must appoint 3 extra Judges.
For the World Championships, the Event Judges must be chosen by the Chief Judge from among the Appointed Judges, preferably as follows:
For Slalom - no more than two judges from any one Region.
For Tricks - the best panel appropriate for the level of trick performances
For Jumping - one Judge per Region.
At other tournaments, the selection to the event judges shall be governed by Region administrative practice.
The scoring sheets of each judge for every skier shall be made available for a period of 30 minutes for inspection by the team captain as soon as the provisional results are posted. Under the team captain's responsibility, a skier may view his own scoring sheets.
If a skier's score sheet is changed based upon this review, the changed sheet will be available for inspection for a period of 15 minutes after the revised results are posted assuming that this would not be less that the initial 30 minute limit. Each time a sheet is changed, it will be available for another 15 minutes for review.
Where practical, Judges shall be separated to ensure completely independent opinions.
The Chief Judge and each Appointed Judge shall sign a statement on the prescribed form at the conclusion of the tournament that the Rules were followed implicitly, noting any exceptions allowed.
Personnel to fill secondary positions shall be selected by the Chief Judge from among other experienced Judges and Officials in attendance. Wherever possible, Officials filling complementary positions (for example, boat driver and boat timer, top and bottom meter readers, etc.) should be of different nationalities. Boat Judges in Tricks should be chosen from among the Appointed Judges or from other first-class Judges in attendance.
At least two months before the tournament, the organizing Region Tournament Council shall appoint a Safety Director, who will appoint such assistants as appear necessary and inform the IWSF President and the IWSF Tournament Council Chairman. The Safety Director shall be responsible for the safe conditions of all equipment, facilities and operation of the tournament; but this shall not prevent him from delegating specific responsibilities to his assistants as approved by the Chief Judge. He shall have the authority to take whatever action is necessary, including stopping the tournament, whenever he observes a condition he believes unsafe. The Chief Judge may overrule any contemplated action or decision of the Safety Director on his own responsibility.
Should the Safety Director stop a tournament for any reason, disqualification time periods (2.05, 13.01, 14.01, 15.08) shall not run as long as the tournament is stopped. The Safety Director should remain near the competition area as much as possible.
A life jacket must meet the following specifications:
a) It must be smooth and soft and free from attachments or material likely to cause injury in a fall.
b) It must be constructed and fastened in such a manner that it is unlikely to be torn loose or damaged so as to render it useless in a hard fall.
c) It must float the skier.
d) It must not be an inflatable device.
e) It must be constructed so as to provide adequate protection from impact damage to the ribs and internal organs. A normal wet suit shall not be considered adequate protection in this respect.
The Safety Director shall determine whether equipment to be used by a contestant meets safety specifications.
No skier shall be allowed to compete or to continue to compete if, in the opinion of the Safety Director and a majority of the Event Judges, his competing would be a danger to himself or other skiers in the tournament. During the competition, the Safety Director may, at any time, request the Chief Judge to halt the tournament for a poll of the Event Judges in regard to a skier's actions or conditions. Whenever practical, the advice of a doctor should be obtained.
Two safety boats shall be used during all events.
The suggested positioning is:
a) Slalom Events - operating outside of course between No. 2 and No. 5 skier buoys.
b) Jumping Events - operating opposite side of ramp, out-side of jump course buoys facing skier's anticipated point of landing.
c) Trick Events - operating outside of course buoys facing skier during pass.
At certain sites, where it is practical and feasible, with the approval of the Safety Director, and per the IWSF Safety Manual, rescue teams may operate from shore.
Each safety boat will be manned by:
1. An experienced driver who is familiar with the conduct of all practice and tournament events.
2. A swimmer, also familiar with all practice and tournament events as well as being fully trained in First Aid, Emergency Resuscitation and Water Rescue Techniques.
The swimmer will wear a life jacket at all times and, in the event of a serious fall, will jump into the water to assist the skier. If the injured skier is unable to climb into the safety boat with little or no assistance, the skier will be floated to shore and lifted from the water on a suitable board or stretcher. Under no circumstances will an injured skier be lifted passively over the side of the safety boat. It is emphasized that, in international competition, language difficulties may interfere with communication; and, for this reason, the swimmer MUST GET IN THE WATER to assist the injured skier.
The Safety Director will appoint a Tournament Medical Officer who will undertake to provide the following services:
1) A suitably qualified medical officer will be in attendance during all tournament events.
2) A suitably equipped medical station prepared to deal with any sort of medical emergency will be conveniently located at the tournament site.
3) Suitable transportation facilities that will allow an injured skier to be moved safely and promptly to the best local medical unit for further care.
4) A working relationship will be established between the local hospital or medical unit and the Tournament Medical Officer, such that casualties will get prompt and expert treatment when required.
Skiers must wear a suitable helmet in the jump event.
Each Federation shall select a team representative whose name shall be given to the Chief Judge before the start of the first event. The team representative shall represent all skiers from his federation. An alternate team representative may also be named.
When unfair conditions or a malfunction of the tournament committee-supplied equipment occurs, which, in the opinion of a majority of the Event Judges, adversely affects a contestant, he shall be granted the option of a reride only on the passes affected.
When a skier receives an unfair advantage, the reride is mandatory. When taken, the reride is scored.
Failure to establish a time through the course in slalom or jump is considered a malfunction of equipment and a reride will be given. The score is not protected.
Rerides must be taken no later than five minutes after they are granted and may be taken immediately at the option of the contestant (cf. 14.14 for slalom rerides and 13.15 for jumping rerides). If the contestant elects to take a five-minute rest, the next contestants in order shall ski, and the reride shall be taken at the conclusion of the skier's run during which the five- minute rest period expires.
Requests for rerides may be initiated by a Judge for the event before the next contestant starts or may be initiated, as soon as possible, by the contestant or his team representative and shall be decided as soon as practicable thereafter. If, in the opinion of the Judges for the event, the request was not initiated as soon as possible after the contestant skied, the request shall be denied.
When a mandatory reride occurs, a red flag must be shown in the boat. When a skier is granted an optional reride and elects to take it, a green flag must be shown in the boat.
The flag must be shown during all movements of the boat outside of the competition course.
Protests shall be made to the Chief Judge only by a team representative and shall be considered by the Appointed Judges. Protest must be made in writing, must state the reason(s) for the protest, and must be filed as soon as possible, but no later than 30 minutes after the results of the event are announced and the Judges scoring forms are available for inspection.
Protests shall be allowed only for failure of the tournament committee, officials, judges, calculators to comply with these rules and only if this non-compliance with rules has an adverse effect on a skier. No protest shall ever be permitted on a judgment decision by the Judges.
Protests must be accompanied by the approximate equivalent in local currency of Swiss Frs. 25. - This amount will be refunded if the protest is considered reasonable by the Judges.
A correction of an error in the computation of scores shall not be considered a protest, and the correction shall be made upon approval of the Chief Judge and Chief Scorer if requested within two hours after the results of the event are announced and the Judges' scoring forms are available for inspection.
For IWSF Towboat Approval refer to Official IWSF Towboat Policy.
a) Boats must have the performance necessary to attain and maintain the required boat speeds while towing a heavy skier under tournament conditions.
b) Overall length shall be approximately 5 meters but must not exceed 6.5 meters. The beam shall be not less than 1.80 meters and not more than 2.50 meters.
c) Boats shall be equipped with a towing pylon on the centerline of the boat, approximately amidships which shall be a minimum of 65 cm. and a maximum of 1.20 meters above the water when the boat is standing still with no occupants aboard. The entire pylon assembly shall be of fail-safe construction, designed to withstand a minimum loading of 600 kg. through an angle of 70º from the stern on both sides.
The towing pylon shall have an area integrated in its design for attachment of a trick release mechanism. It is recommended that this area be included both above and below the tow rope attachment location and be located as required to insure clearance of the rope and/or trick release mechanism from the engine housing. This area for attachment of the trick release mechanism shall be cylindrical with a diameter of 50.8mm, +0.00mm, -0.25mm, and a minimum height of 28mm. A centering hole with a diameter of 6.000mm, +0.35mm, - 0.0mm, and a minimum depth of 1.8mm shall be located on the centerline of the attachment area height and be oriented toward the front of the towing pylon. Any manufacturer not wishing to comply shall be responsible to see that trick releases fitting his pylon are available at tournaments where his boats are used. (See Diagram-7).
d) Either inboard, inboard/outboard, or outboard power may be used.
e) A maximum of 4 different makes and models of boats shall be chosen from among those boats approved by the IWSF Tournament Council in accordance with the obligations. A minimum of three identical boats must be made available for each make and model chosen. The IWSF Tournament Council and the IWSF Federations shall be notified of the choice of boats at least 12 months before the start of the tournament and which boat shall pull each event 3 months before the start of the tournament.
f) The boats must be equipped with adequate two-way radios.
g) The boats must be equipped with at least two accurate speed measuring devices operating on separate pickup tubes.
h) The towboats for each event shall be chosen, from those provided, by the Chief Judge and the host Region's Tournament Council Chairman.
i) For Jumping and Slalom, identical boats must be used by contestants in an event. For Tricks, the skier may select any one of the types of boats chosen for the tournament. Two teams of drivers and boat officials may be assigned to the Trick event at the option of the Chief Judge. The driver may be changed by the Chief Judge if he deems it necessary due to the length of the event. The Chief Judge may decide to use alternating identical boats to eliminate lost time and to speed up the running of the event.
Only designated persons may ride in the boat during the competition. (See Rules 13.09, 14.13, 14.14, and 15.11).
a) Maximum ski width shall not exceed 30 percent of the overall length.
b) Any type of fixed foot bindings may be used.
c) Devices affixed to the ski intended to control or adjust the skiing characteristics of the ski are allowed as long as they are fixed in that they do not move or change during actual skiing.
d) No other devices are permitted.
e) Skis must be safe. There must be no unnecessary sharp or abrasive (to the touch) metal, wood or other attachments to the ski which could, in the opinion of the Safety Director, inflict injury to the skier should he come in contact with the ski in a fall.
The Tournament Committee shall furnish single-handle 23 m and 18.25 m tow lines constructed as in (d) below, made of 6 mm., single braided, monofilament line of plastic material, with the handles and lines meeting the following specifications:
a) Number of Strands = 12
Number of Yarns each strand = 60
Diameter at 5.5 kg. load = 6.3 mm.
Weight per meter: 23.0 grams/meter maximum
Breaking load, minimum = 590 kg.
Elongation at 115kg tensile load: 2.4% +/- 0.8%.
The gauge length shall be set at 5.5 kg. tensile load.
All measurements of tow lines shall be made under 20 kg. tension and shall be made between the following points as applicable: (1) the center line of the handle at the point furthest from the attaching loop; (2) the inside surface, furthest from the handle, of any attaching loop.
b) Samples of the tow line material to be used by the Tournament Committee shall be supplied to the Chairman of the Tournament Council no less than one year before the tournament for testing and approval. Following approval, the Tournament Committee shall make the line available to any affiliated Federation at a reasonable cost.
c) Splices shall be 15 cm. (minimum) long secured with tucks before and/or after the splice, or knotted to prevent slipping.
d) The tow lines may be made in one section or alternatively in two sections consisting of a single line 21.5m long for jumping, and 16.75m long for slalom, and a handle portion 1.5m.
One-piece lines are optional, but two-piece lines must be provided by the Tournament Committee, and 21.5m and 16.75m. portions must be made available. Multi-segment slalom lines may be used. The segments shall be colored in the same sequence as the loops as shown in 10.04 g).
e) The handle shall be made of 2.50 to 2.80 cm. outside diameter material with no sharp edges or projections, with unpainted wood or other non- slip surface or coating. The attaching ropes must in all cases go through the handle and must be attached so there is no possibility of movement between the rope and handle when in use. The minimum certified breaking load of the handle shall be 270 kg. applied at the rate of 290 kg. for a minute at two load points 9 cm. apart at the center of the handle with the ends supported at the rope holes. The handle shall be attached to the rope so that it is perpendicular to the direction of the line. The handle measurements specified in 10.04 (g) is the end-to-end length of the handle.
f) Tow lines to be used for the Slalom event shall have loops spliced into the line at distances from the handle of 16m, 14.25m, 13m, 12m, 11.25m and 10.75m to permit quick change of line length.
A tolerance of plus or minus 15 cm. on the distance from the loop to the handle is allowed for the rope lengths at 18.25m, 16m, and 14.25m.
From the 13m rope length on, this tolerance is reduced to plus or minus 7.5 cm.
The loops may be color coded to help differentiate between them. If the rope is color coded, the following sequence must be used:
The end loop on the rope need not be color coded.
g) Dimensions shall be as follows:
 
 
h) Differing rope specifications
Organizers should supply a rope of a certain allowable specification and continue to use ropes of that same specification for the entire event, both preliminaries and finals. This does not prevent using ropes of different specifications for different events as long as a rope of the same specification is used for the entire event.
i) A protective shock tube must be used on the rope in Slalom.
The contestant must furnish his own line and handle for the Trick event of any length and of any dimensions or material.
For Slalom and Jumping, each contestant may furnish his own handle to be attached to the tournament line providing he notifies the starter, at the dock, at least three skiers on the starting list before his turn, of his wish to change handles.
The handle may be of any material.
The length of the handle attachment measured from the inside surface of the attaching loop furthest from the handle to the center of the portion of the handle furthest from the attaching loop must be 1.50m +2.5cm / -10.0cm.
The handle must conform to the dimensions shown in 10.04 g.
Speed control will be required for the World Championships. The specific make and model of speed control will be announced when the boats are announced for the World Championships (see 10.01 e).
No change in the firmware program version of the speed control device is allowed after 1st July in a World Championships year until after the World Championships are completed. The version will be posted on the homologation notice.Further, speed control will be required for all Ranking list and Record tournaments starting Jan.1, 1998 and for the 1997 World Cup tournaments.
Some of the important points are as follows:
(a)If speed control breaks then go to manual. If a replacement unit or boat is not available, or the unit cannot be quickly repaired, then the tournament shall be continued with manual driving with performance restrictions for those performances done with manual driving. (These restrictions are noted in the Additional Rules section notes)
When the speed control cuts out or fails to operate or is a deviation from normal operation (i.e. a malfunction) the skier is entitled to a re-ride for failure of equipment and can improve the score.
(b)If the unit allows, the speed may be micro adjusted a set number of specific speed steps to compensate for wind or current conditions on a pass by pass basis under the control and/or observation of the boat judge.
(c)The principle job of the speed control is to provide independence of the manual operator and to give in tolerance, constant speeds, as close as possible to actual times.
(d)The Boat Judge and the Driver shall jointly agree on the setting of the speed control and the allowed adjustments for wind conditions, etc., with the goal of having the machine produce actual times for each pass.
(e)If the boat officials feel that a significant change must be made in the setting for the jump event (i.e. one letter change) to obtain the proper actual time, they will notify the skier of the change when it is made, before his next jump.(f) For each skier, a written record shall be kept of the initial setting of the speed control and any changes that are made during his turn.
(g) For jumping, the manufacturer's recommendations shall be used regarding
any skier selections of parameters. 
For Perfect Pass, this means that a skier may select a letter in the range of
plus or minus three letters from the initial selection indicated by the weight of 
skier without equipment.
All speeds are speeds over the bottom.
The boat path in all events is intended to be a straight line at a constant speed.
All indicated speeds in Slalom and Tricks shall be accurate to plus or minus one km/h. For a speed to be considered accurate, the maximum and minimum speeds recorded in the course, as noted by the official in the boat, must be within the tolerances allowed. In the Slalom event, the average speed in the course must fall within the tolerances allowed (Rule 14.03). The speed may vary a maximum of 1 km/h for a distance before entering the competition course and be maintained until the skier is out of the course. If, in the opinion of the official in the boat, the tolerance was exceeded, a reride will be mandatory if the speed variation was advantageous to the skier. If it was disadvantageous to the skier, he will have the option of a reride.
In the jumping event, it is the responsibility of the driver to drive the boat at the constant speed (as selected by the skier (see Rule 13.04) throughout the entire course. The driver may not intentionally increase or decrease the speed or intentionally allow the speed to increase or decrease. He must maintain a constant speed. If, in the opinion of the boat judge, the speed before or after the timing course was a disadvantage to the skier, he will be given the option of a reride.
Timing devices in all events shall be accurate to at least 5 parts in 10,000 (.01 sec. per 20 sec.). Any timing device used in a tournament must be checked for accuracy by the Chief Judge, Homologator, or Tournament Council representative.
For a new design to be approved, the manufacturer must supply its test data and test method information to the IWSF Tournament Council for approval.
The suggested tournament layout is shown in Diagrams 1, 2, 3, 4 and 5. The dimensions of the courses shall be as indicated; however, the layout of the competition area may be varied to suit the tournament site. No buoys or markers other than those indicated by Diagrams 1, 2, 3, 4, and 5 and video jump measurement buoys are permitted within the competition area except to mark safety hazards, landing or starting areas, or turning buoys. Any such buoys shall be distinguishable from tournament buoys and shall be pointed out to skiers at the start of the competition.
The entrance of the courses for each event are defined as follows:
Slalom: The start gates of the slalom course on the first pass
Jumping: The 180m. buoy on each pass
Tricks: The first trick buoy on each pass
A fall in any event is defined as accomplished at the moment any one of the following occurs:
a) The skier loses possession of the tow line;
b) The skier does not have at least one ski on one foot; or
c) The weight of the skier is not primarily supported by his ski or skis; and, in addition, the skier is ultimately unable to regain skiing position.
Skiing position is defined as that position in which all of the following exists:
a) The skier has possession of the tow line; and
b) The skier is riding forward or backward with a ski or skis on his feet; and
c) The weight of the skier is entirely supported by his ski or skis, or the skier is ultimately able to regain control.
For the boat, see Rule 10.01, and for the tow lines 10.04 and 10.06.
The skier shall be entitled to three jumps or passes or falls from the time he starts in the preliminaries and three jumps or passes or falls from the time he starts in the finals.
a) Women jumpers will have the option of choosing either a height of 1.65 m. or 1.50m (see Rule 13.02d).
b) Men jumpers will have the option of choosing either a height of 1.65 m. or 1.80m (see Rule 13.02d).
Only the length of the jump will be considered no matter what ramp height is chosen by the skier.
A skier qualified for the final round may change his chosen height of the ramp for the final round subject to a time deadline set by the Chief Judge.
Skiers jumping at each height will be drawn together and will ski before those jumping at the higher height setting in both the elimination and final rounds.
A fall shall not eliminate the skier from the following pass provided that fall is a result of a jump.
A contestant may refuse to enter the jump course by throwing the handle in the air. He shall not be penalized for so doing providing this refusal was for a reason judged acceptable by the Event Judges. To receive any consideration of a reride request for conditions before the 180m buoy, the skier must throw the handle before entering the course. Once having taken the jump the skier loses all right to a re-ride for conditions before the 180 m buoy. The skier must be ready to ski immediately upon the boat's return. Should the skier not be ready or should the reason be judged not acceptable by the Event Judges, one jump shall be deemed to have been taken. If a skier notices that his equipment is damaged (broken fin, binding, ski...), the Event Judges may grant him 3 minutes to repair or change the broken equipment and to continue competing.
In the case of a fall after a jump, the skier who is not back on his skis within three minutes (including any repair of equipment)after the towboat is ready to take him will not be allowed to complete any further jumps in that round.
The jumping ramp shall be an inclined plane with an apron on the right-hand side. The ramp shall meet the following specifications:
a) Width: 3.70m to 4.30m at all points. 4.20m to 4.25m is recommended.
b) Length out of water at all points.
| Ramp Ratio | Minimum | Maximum | Recommended | 
|---|---|---|---|
| 0.235 | 6.40m | 6.80m | |
| 0.255 | 6.40m | 6.80m | |
| 0.271 | 6.40m | 6.80m | 6.75-6.80m | 
c) Length under water: 50 cm. minimum.
d) Ratio of ramp height at take off edge to ramp length out of water:
-0.271 +/-0.003 or 0.255 +/-0.003 for Men, at the skier's option
-0.235 +/-0.003 or -0.255 +/- 0.003 for Women, at the skier's option
Ratios are to be computed on both sides of the ramp, and the ramp height at the take off edge at the two corners may differ by no more than 2.5 cm. (See Ramp Setting Chart).
e) Jumpers must notify the Chairman of the IWSF Tournament Council, the Chairman of the Region Tournament Council, and the organizers, on the official entry form, what their choice will be for the ratio mentioned in d) above.
f) The surface must be flat with a maximum deviation of 2.5 cm. from a plane.
This will be verified by two measurements.
These distances are to be recorded and must not exceed 2.5 cm as stated above.
g) An apron shall extend the full length of the ramp on the right hand side and be at least 30 cm. under water when the ramp is set for the 1.80m height in Men's divisions. Ramp aprons shall be of a different color or shade from the ramp surface so as to provide a satisfactory contrast between apron, water and jump surface.
h) 6.40 and 6.70 length markings, clearly identified, shall be placed on the apron and/or ramp surface so that they are readily visible.
i) A line visible from shore shall be painted at the center of and just below the take off edge for meter sighting purposes. The jumping ramp must be securely anchored in place so that the center takeoff edge will not vary more than the sighted width of the crosshair on both meters after coming to static rest. "Static rest" is the position assumed by the ramp in ambient water not affected by boat wakes, skiers' wakes or backwash.
j) All measurements of the ramp shall be made under tournament conditions, including the weight of watering equipment, and not including the weight of a skier.
k) The jump apron shall have a minimum angle of 28º from perpendicular and a maximum angle of 50 degrees. The recommended angle is 45 degrees.
l) It is recommended that all jump surfaces (fiberglass) be of a red-orange color. Wax surfaces on wood will remain their natural color.
The boat speeds for the jumping event shall be chosen by the skier from those listed in Rule 13.04 up to the maximum allowed as follows:
a) Men - 57 km/h
b) Women - 54 km/h
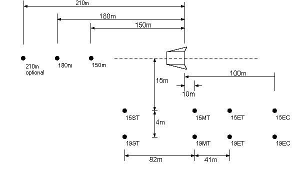
The boat shall be timed in the jump course between buoys 15ST-19ST and 15MT- 19MT (82m) and between 15MT-19MT and 15ET-19ET (41m) in order to maintain the following tolerances:
| 1st Segment | 2nd segment | ||||||||
|---|---|---|---|---|---|---|---|---|---|
| Speed | fast | actual | slow | fast | actual | slow | |||
| 57 | 5.11 | 5.18 | 5.25 | 2.52 | 2.59 | 2.66 | |||
| 54 | 5.39 | 5.47 | 5.55 | 2.66 | 2.73 | 2.81 | |||
| 51 | 5.70 | 5.79 | 5.88 | 2.81 | 2.89 | 2.98 | |||
| 48 | 6.05 | 6.15 | 6.25 | 2.98 | 3.08 | 3.17 | |||
| 45 | 6.45 | 6.56 | 6.68 | 3.17 | 3.28 | 3.39 | |||
| 42 | 6.90 | 7.03 | 7.17 | 3.39 | 3.51 | 3.64 | |||
| 39 | 7.42 | 7.57 | 7.73 | 3.64 | 3.78 | 3.94 | |||
Times must be recorded to the 100th of a second.
The times driven should be as close to the actual times as possible. This will be monitored by the Chief Judge.
In the case where a skier refuses the ramp or falls on the approach to the ramp, the maximum speed tolerance allowable shall be increased by .05 seconds. This may be done by either subtracting .05 seconds from the maximum speed tolerance or by adding .05 seconds to the time recorded.
| 1st Segment | 2nd segment | ||||||||
|---|---|---|---|---|---|---|---|---|---|
| Speed | fast | actual | slow | fast | actual | slow | |||
| 57 | 5.11 | 5.18 | 5.25 | 2.36 | 2.40 | 2.44 | |||
| 54 | 5.39 | 5.47 | 5.55 | 2.54 | 2.59 | 2.64 | |||
| 51 | 5.70 | 5.79 | 5.88 | 2.68 | 2.73 | 2.78 | |||
| 48 | 6.05 | 6.15 | 6.25 | 2.84 | 2.89 | 2.95 | |||
The 2nd segment times only apply when the speed is at the maximum for the division. After the 2nd segment, the speed control algorithm will be to set the speed to the base selected speed.
When the speed is below the maximum for the division, the second segment will not be used with the exception that it may not exceed the maximum speed time for the event. (Please note that if this happens, it is likely that the speed control is not working according to the intended algorithm and the manufacturer and the TC Chairman should be notified). The manufacturer's algorithm in the less than maximum speed case is to set the mechanism to the base speed setting (no overspeeding and no underspeeding) in the 2nd segment.
At the skier's option, the mode may be set to either normal, meaning the case where the speed control just returns to the base speed setting in the second segment, or to the new settings where the boat is programmed to meet the times in the above chart.
The rules governing skier letter or distance selection apply for this mode as well.
A jump shall not be registered should the boat driver or the boat-judge/ official on board decide that there is a hazard because of dangerous water conditions, interference of another boat or other reason. The boat driver or the boat-judge shall then hold up his hand, or a red flag, and slow the boat a perceptible amount before the boat passes the ramp.
A jump shall be scored when a skier passes over the ramp, lands, and skis away in skiing position without falling. If a skier falls as a result of a jump, he loses that jump. If he shall purposely touch any part of the tow line other than the handle while in the air, he shall receive no score for that jump.
Every time a skier falls, it shall count as a registered jump. (Cf., however 13.01) If the falls more than once on a single pass through the jump course or return run, a jump shall be registered for each fall.
A jumper shall receive no further jumps in a round if, after leaving the boat's wake on a definite cut to the ramp, the jumper elects to pass between the boat course and the ramp, whether or not he retains the tow line. The jumper shall tell the boat driver at which distance and at what speed to pass the ramp, and the boat shall follow a straight path through the jump course at the specified distance from the right-hand side of the ramp.
There will be three Judges for the event. Two Judges will be stationed on shore. The third Judge will be in the tow boat.
The Boat Judge is authorized to give reruns under Rules 11.02, and 13.15.
Jump distances shall be measured by a system of meters measuring the subtended angles provided by 3 meter stations, each consisting of two meters.
Alternatively, the Tournament Council may approve systems based on other technologies provided that proper verification and proof is given to the Tournament Council at least 60 days before the proposed use.
To insure accuracy, it is recommended that each meter station be no more than 70m from the point of landing.
Jump distances are to be calculated through the use of a computer. Any computer program used for this purpose must be verified by passing the benchmark tests included in these rules.
The point of landing is defined as the center of the inscribed circle which is tangent to all three sides of the triangle formed by the three average sightings from the meter stations. The distance is calculated from the landing point back to the ramp. The size of the triangle is defined as the diameter of that inscribed circle.
If the top and bottom sightings from any single meter station are more than 0.6 meter apart at the point of landing, then the average value and the single sighting with the smaller value will each be tried in turn, and whichever of these produces the smaller triangle will be used to derive the official distance.
If the official resolution of a particular set of sightings, according to the above rules, produces an official wide triangle, and that set of sightings included a spread in excess of the 0.6 meter test limit AT ONLY ONE of the meter stations, which yielded the smaller triangle size by using the average rather than the shorter reading alone, then the longer reading from that station may be tried alone, and used as official, if it eliminates the wide triangle.
On a given jump when the diameter of the inscribed circle obtained by the angular measuring system is greater than 0.6 meters, the contestant will have the option to either take the jump over again or accept the shortest distance measured from a corner of the triangle provided that on any of his preceding or following jumps, the measured distance does not exceed the distance to the furthest corner of the large triangle. In the case where one of the preceding or following jumps does exceed the distance to the furthest corner, the official score of the wide triangle jump will be the shortest vertex.
In the case where a competitor decides to take the jump over again, the competitor's distance on the reride may not exceed the distance measured to the furthest corner of the large triangle of the disputed jump but will not be less than the distance measured to the nearest corner of the large triangle of the disputed jump. Multiple rerides are to be resolved sequentially in the order in which they occurred.
Jump distances shall be measured from a point at the water line directly below the center of the top edge of the ramp to the point where the heels of the skier reach their maximum depression in the water (as normally indicated by the "spout" of water rising after the skier's landing). The distance shall be communicated to the skier after each scoring jump.
Alternatively, if video jump distance measurement is used, the distance shall be measured to the skier's point of impact in the water closest to the ramp (first point of impact) and then an adjustment offset of 2.1m shall be added.
For the video system, there shall be two designated officials (from different countries at international tournaments) operating the system who shall jointly make a judgement decision on the impact point. The calculated distance shall not be displayed until the impact point is jointly judged.
If video jump measurement is used, video backup methods (video taping) may be used or a standard meter system may be used.
The longest jump of each round will be the only one counted. Event placement for skiers qualifying for the final round will be based on their final round results only.
Jump distances may not be scored in increments finer than 10 cm.
The score in the preliminary round shall be used to calculate the preliminary round overall results with the final overall placement being determined by the overall finals. To be considered for placement and receive overall points, contestants must have at least one successful jump to their credit.
The better result obtained by the skier, in either the preliminary or the final round, shall count towards team score.
If a tie exists for first place, it shall be run off. If a tie exists for 2nd or 3rd place, placement shall be decided on the basis of the higher preliminary round score. If a tie still exists, it shall be run off. The run off shall have a new drawing for order. Each tied contestant shall be allowed two jumps or passes or falls with the longest jump being scored according to Rule 13.12. Repeated ties shall be run off in the same manner until broken.
All contestants in jumping events shall be required to wear approved life jackets (7.03).
It is strongly recommended that skiers wear jump pants especially adapted for water skiing and approved by the Tournament Council, or a person appointed by the Tournament Council, for this purpose.
Skiers must wear a suitable helmet in the jump event (see 7.04).
The boat judge shall observe the accuracy of the boat path and verify its speed by checking the speed measuring devices. A referee shall ride in the boat to check speed with a stopwatch. Alternatively the boat may be timed on shore by a chronometer started and stopped from shore positions at either end of the course or by other automatic timing devices approved by the Tournament Council. In the event that the time is taken on shore, however, it must be communicated to the boat by radio immediately after each pass. An approved automatic timing device must be used in the World Championship Tournament.
In addition to the official timer, at least one other timing device shall be operated from the boat unless not feasible in which case it will be from the shore. In the event that the official timer fails to get an accurate time for some reason, the backup timer shall govern.
The times from both segments of the jump timing course shall be recorded and a reride shall be granted under the following conditions:
If either time is too fast, then a reride for the skier is mandatory. If neither time is too fast, but if either time is too slow, then a reride for the skier is optional. On a pass or a fall before the ramp, the second segment time will not be used.
If the second segment is fast on a successful jump but the distance recorded is less than previous or following jumps in the round by the skier, then a reride will not be awarded.
When the speed is above the maximum allowable for the pass, a rerun is mandatory. If the speed is below the minimum allowable for the pass, the contestant will decide whether or not he wishes a rerun on that pass, but shall not be scored less than the distance obtained on the pass leading to the reride.
If the speed chosen is below the maximum, and the time is out of tolerance, the contestant shall have the option of a reride as long as the maximum speed tolerance was not exceeded, in which case the reride is mandatory.
If a rerun is given because of a faulty boat path or an error in speed, it must be taken immediately, and the Boat Judge must hold up an appropriate flag during the return pass to indicate that a reride will be taken on the jump that has just been completed. If there are more than two (2) rerides, the skier shall have the option of asking for a five-minute rest before continuing.
Jump Timing Reride Chart
| seg1 | seg2 | action | 
|---|---|---|
| OK | OK | none | 
| OK | F | mandatory reride only if distance is best distance in skiers turn, the score may improve | 
| OK | S | optional reride (protected score) | 
| S | OK | optional reride (protected score) | 
| S | F | mandatory reride if best distance, otherwise optional with protected score | 
| S | S | optional reride (protected score) | 
| F | OK | mandatory reride | 
| F | S | mandatory reride | 
| F | F | mandatory reride | 
In the case where both a bad time and a bad triangle occur on a single jump, time takes precedence over the bad triangle.
For the boat, see 10.01 and for the tow lines 10.04 and 10.06; for the tolerances see 11.02, 14.03 and 14.04.
A contestant may refuse to enter the slalom course by throwing the handle in the air. He shall not be penalized for so doing providing this refusal was for a reason judged acceptable by the Event Judges. The skier must be ready to ski immediately upon the boat's return. Should the skier not be ready or should the reason be judged not acceptable by the Event Judges, he shall be disqualified from the remainder of the event. If a skier notices that his equipment is damaged, the Event Judges may grant him 3 minutes to repair or change the broken equipment and to continue competing. Once a skier has passed through the entrance gates on his first pass, he may not refuse to enter the course for the following passes.
A fall concludes the run at that point. The contestant shall receive credit for buoys scored before the fall.
The dual segment timing system is the standard timing method. An optional method using all buoys is described in Rule 14.18
Dual Segment times are as follows:
| 1st Segment | 2nd segment | |||||
|---|---|---|---|---|---|---|
| Start Gates to Buoy 3 | Buoy 3 to End Gates | |||||
| Km/h | Actual | Min | Max | Actual | Min | Max | 
| 58 | 6.77 | 6.69 | 6.84 | 9.31 | 9.21 | 9.42 | 
| 55 | 7.13 | 7.05 | 7.22 | 9.82 | 9.70 | 9.94 | 
| 52 | 7.55 | 7.45 | 7.64 | 10.38 | 10.26 | 10.52 | 
| 49 | 8.01 | 7.90 | 8.12 | 11.02 | 10.88 | 11.17 | 
| 46 | 8.53 | 8.41 | 8.65 | 11.74 | 11.58 | 11.91 | 
| 43 | 9.13 | 8.99 | 9.27 | 12.56 | 12.37 | 12.75 | 
The basis of the times is + or - 0.65 kpH.
Times must be recorded to the 100th of a second.
The times driven should be as close to the actual times as possible. This will be monitored by the Chief Judge.
An intermediate time for controlling boat speed will be taken on the third buoy.
If a skier's score is 2 1/2 or less on the pass, only this intermediate time taken on the third buoy will be considered.
The slalom judging towers shall be braced structures having a platform with railing approximately 3m above the water surface.
The may either rest on the bottom or be securely anchored in position. The use of two slalom judging towers is mandatory, located on different sides of the slalom course, in suitable viewing positions.
The judging area on each side of the course shall be located within 44 degrees +/-3 degrees from the course centerline on a line passing through the center of the entry gates as shown in Diagram 6.
a) Color of buoys shall be selected for maximum visibility. A fluorescent yellow or red paint is recommended.
b) Guide buoys used within the slalom course shall be a different color from the gate and slalom buoys used by skiers.
c) Spherical guide buoys shall be a minimum of 22 cm. in diameter. Cylindrical or rectangular solid guide buoys shall have a cross sectional area greater than 75 sq. cm. and less than 450 sq. cm.
d) Slalom skier and gate buoys shall be 22 to 28 cm. in diameter. 23 cm. is recommended. These buoys shall also be generally spherical above the waterline.
e) Slalom buoys shall be of a lightweight, pliable material with smooth exposed surface.
f) Each buoy shall have a strong loop for attaching anchor lines. The buoys must be attached to the anchor line by the use of a system that will tighten the buoy in such a way as to ensure that it does not move around from its position.
g) Buoys shall be fastened so that they have 11-17 cm of height out of the water (11.5 cm recommended)
h) Cylindrical or rectangular solid buoys shall be fastened so that at least 15 cm but not more than 30 cm of the buoy is above the waterline. They shall appear vertical.
i) If cylindrical or rectangular solid guide buoys are used, they shall be fastened so that the distance between the inside edges of the buoys (boat tunnel width) shall be 2.05m+/-15 cm.
The contestant shall follow the tow boat through the entrance gate of the slalom course (Diagram 1), pass around the outside of any or all 6 buoys and proceed through the far end gate (constituting a pass), making the turn and returning through the course in a similar fashion, until he misses a buoy or a gate.
The boat shall follow a straight path within the limits of the boat gate buoys.
The skier may elect to waive all passes below a selected rope length (or speed should the Appointed Judges lower the minimum starting speed). In such cases the skier may notify the dock official of his selected rope length (or speed) any time before he starts his run. A skier who fails to select his starting speed at the specified time, will start at the maximum starting rope length and minimum speed for the event. Further optional selection of slalom passes is also allowed. If a skier misses in a pass that follows an optionally skipped pass, he/she shall be scored as if the buoys were scored in the pass following the last completed pass.
The following speeds and tow line lengths shall be used for slalom:
| Men | Women | ||
|---|---|---|---|
| Continuous | Continuous | ||
| 1st Pass | 18.25m rope | 58 km/h | 55 km/h | 
| 2nd Pass | 16m rope | 58 km/h | 55 km/h | 
| 3rd Pass | 14.25m rope | 58 km/h | 55 km/h | 
| 4th Pass | 13m rope | 58 km/h | 55 km/h | 
| 5th Pass | 12m rope | 58 km/h | 55 km/h | 
| 6th Pass | 11.25m rope | 58 km/h | 55 km/h | 
In any further passes, the rope shall be shortened by half a meter for each additional pass. If, in the opinion of the majority of the Event Judges, the water or weather conditions require it, the speed of the first pass may be lowered to 55 km/h or 52 km/h for men and 52 km/h or 49 km/h for women, and then proceed upward in speed in 3 km/h increments until the first normal pass is reached. Then the skier will proceed as shown in the table.
The Men's final round shall start at the 14.25m pass and the Women's final pass shall start at the 16m pass unless changed by the Event Judges (See above)
It is a miss to ride inside a buoy or outside the entrance or end gate
or to ride over, straddle or jump over a buoy  
or gate buoy; but there is
no penalty for grazing a buoy with a ski or part of the body. "Riding
over" shall be defined as hitting a buoy with the ski so as to move
it significantly from it position or temporarily sink it. Hitting a buoy
less severely shall be considered as "grazing." 
A skier shall be judged as missing the entry or exit gate when the ski
passes entirely and clearly outside the gate buoy.
 
 
A buoy not missed is scored as follows, up to the point of the first miss:
a) 1/4 point when the skier crosses the line C-D AND the X-Y line in a skiing position (12.03). (See sketch).
b) 1/2 point when the skier has re-crossed line C-D in skiing position (12.03) before the level of the next buoy or end gate.
c) 1 point when the skier has crossed the line of the gate buoys before passing the level of the next buoy (or the end gate in the case of the final buoy) without falling (12.02).
A gate is not scored in any manner.
A contestant in either a preliminary or final round may continue to run the course as provided in 14.07 until he misses a buoy or entrance or end gate, at which point his scoring ends for that round.
Event placement for skiers qualifying for the final round will be based on their final round results only. The contestant with the highest score shall be the winner.
The better result in either the preliminary or final round will be counted towards calculating team score.
The score in the preliminary round shall be used to calculate the preliminary round overall results with the final overall placement being determined by the overall finals.
Six points shall be added to the contestant's score for each pass he elects to waive under the provisions of 14.07 provided his first pass is perfect. In the Men's finals, each contestant shall be required to waive at least two passes and six points shall be added to the contestant's score for each pass he elects to waive, as well as twelve points for the two he was required to waive, provided his first pass is perfect. In the Women's finals, each contestant shall be required to waive at least one pass and six points shall be added to the contestant's score for each pass she elects to waive as well as the one she was required to waive, provided her first pass is perfect. A contestant who waives one or more passes and whose first pass is not perfect shall receive only the points scored in that pass without additions for the passes waived.
If a tie exists for first place, it shall be run off. If a tie exists for 2nd or 3rd place, placement shall be decided on the basis of the higher preliminary round score. If a tie still exists, it shall be run off. The run off shall have a new drawing for order.
The tie breaking run shall begin with the scheduled speed and rope length of the last complete pass and conclude with the first miss. If another tie results, the tie shall be run off in the same manner with another new drawing for order. This process shall be repeated until a winner is determined. The skier may optionally skip any pass in the run-off.
There shall be a Judge in the boat and two Judges in each of the slalom judging towers. The entrance and exit gates shall be judged by the two Judges closest to each gate and by the Boat Judge. Skier buoys shall be judged by all five Judges.
At the end of each run, the judges' will score the run as follows:
a) The first decision to be made will be if the skier has gone through the entry gate. That decision will be made by the appropriate three judges as specified above.
b) The second decision to be made is the skier's score by buoy count. A judge who might have felt that the skier missed the gate and thus scored 0 will continue scoring and state his final score as O with a continuation of X buoys where X is the score that he would have given the skier if he felt that the gate had been made.
c) The scorer will first determine if the skier was judged as having made the gate. If the skier made the gate he scorer will then award to the skier the highest score agreed upon by the judges based on their submitted scores. Thus if the scores are 1, 1,3-1/4, 3-1/2, 3-1/2, the skier's final score is 3-1/4. The scores called in by the judges will be considered final.
The score shall be finalized before the next competitor is permitted to start.
There will always be three people in the boat. These will either be the driver, judge and timer, or if electronic timing is used, the driver, judge and another person designated by the Chief Judge.
An official shall ride in the boat to check speed with a stopwatch and by observing the water speed measuring devices.
Alternatively the boat may be timed on shore by a chronometer started and stopped from shore positions at either end of the course or by other automatic timing devices approved by the Tournament Council. In the event that the time is taken from shore, however, it must be communicated to the boat by radio immediately after each pass.
An automatic timing device must be used for the World Championship Tournament.
Where the applicable speed is slower than allowable on any pass, a rerun shall be mandatory. If either time is too slow, a reride is mandatory. If the pass was not a perfect pass, the skier may not improve his score over that obtained on the slow pass, unless the speed is so slow that it is equal to or below the fast tolerance of the next slower pass. One exception to this is, if the skier scores more than 2 1/2 and the 1st segment is fast and the 2nd segment is slow, or the 1st segment is slow and the 2nd segment is fast, a reride is mandatory but the skier may improve his score. If the pass was a perfect pass (score is 6, skier to continue), the skier may choose to proceed to the next pass instead of repeating the pass. If the skier then makes a perfect pass, he receives credit for both passes. If the pass is missed, he will receive credit for the buoys made as if it were the lower, skipped pass.
If the skier's score is greater than 2 1/2 and the 1st segment time is good but the 2nd segment is slow, he may choose to accept a score of 2 1/2 instead of the mandatory reride.
Where the speed is faster than allowable and the skier has not made a perfect pass, he shall have the option of a reride but shall not be scored less than the score obtained on the pass leading to the reride.
If the skier has an imperfect pass, the boat judge shall determine, by appropriate means, whether the skier wishes to take a rerun. If a rerun is to be taken, the boat shall immediately return through the course in an unscored pass; and the rerun shall then follow in the original direction through the course.
If there are more than two (2) rerides, the skier shall have the option of requesting a five-minute rest before continuing.
In the event a contestant inadvertently receives a speed higher or a rope length shorter than the intended pass, the skier will be given the option of receiving credit for the actual score, accepting credit for the originally requested speed or rope length (assuming a perfect pass), or taking a reride.
In the event a contestant inadvertently receives a speed slower or a rope length longer than the intended pass, the skier will be given the option of proceeding to the next pass which follows the intended pass (assuming the pass taken was perfect), or taking a reride, or receiving the score for what was actually skied.
In addition to the official timer, at least one other timing device shall be operated from the boat unless not feasible in which case it will be from the shore. In the event that the official timer fails to get an accurate time for some reason, the backup timer shall govern.
The boat Judge shall observe the boat path. If any part of the boat deviates outside the bounds of the boat gates, the boat judge shall award an optional reride if the path of deviation was a disadvantage to the skier. If it was to the skier's advantage, a reride is mandatory.
Boat Times and Reride Situations
| 1st | 2nd | 21/2 or less | 3-6 w/miss | 6 no miss | 
| OK | OK | - | - | - | 
| OK | S | - | MR or 2 1/2+ | MR, 2 1/2+, Go Up | 
| OK | F | - | OR | - | 
| F | OK | OR | OR | - | 
| F | S | OR | MR* or 2 1/2+ | MR, 2 1/2+, Go Up | 
| F | F | OR | OR | - | 
| S | OK | MR | MR | MR, Go Up | 
| S | S | MR | MR | MR, Go Up | 
| S | F | MR | MR* | MR, Go Up | 
OK=Good Time
F=Fast
S=Slow
Go Up=Skier Option to Continue
-=Score Stands As Is
OR=Optional Reride, score not to decrease
MR=Mandatory Reride, refer to paragraph 4
MR*=Mandatory Reride, score may improve
2 1/2+=Protected score of 2 1/2
If a skier has damaged his equipment during a run that leads to a reride, he must be back on his skis within 3 minutes from the time the reride has been granted or he is not allowed to continue in the round. If the skier is not allowed to continue, in the case of a mandatory reride, the pass that brought about the reride is scored as 0 unless the score was 2 1/2 or greater and the first segment was OK or Fast in which case the skier is scored with 2 1/2.
If the skier is not allowed to continue, in the case of an optional reride (and the skier is not back on his skis within 3 minutes), he is credited with the score obtained in the run that brought about the reride.
All contestants in Slalom events shall be required to wear an approved life jacket (7.03).
End-course video shall be recorded for the slalom event for all passes 12m and shorter. A rigidly mounted video camera shall be operated from a point on the centerline on at least one end of the slalom course, adjusted to show all of the boat guides in clear focus, and equipped with optical (not digital) magnification of sufficient power to display the far entrance/exit gate occupying at least 1/6th of the full width of the screen (1/3 width or larger is recommended).
The video tape shall be forwarded to the Region Tournament Council for monitoring immediately after the tournament. The Council may cancel results that do not conform to rules 1.11, 14.07 and 14.14.
When either method is used, it will completely replace all timing rules as specified in other parts of Rule 14.
The first method has been used and is an interim method retaining some of the dual segment philosophy and procedures. The second method is experimental, but is anticipated to be the final method.
| 58 kpH | Segment times required | ||||||||
|---|---|---|---|---|---|---|---|---|---|
| Score | 1 ball | 2 ball | 1st Seg | 4 ball | 5 ball | 6 ball | 2nd Segment | ||
| 0.25 | 1.64-1.70 | ||||||||
| 0.5 | 1.64-1.70 | ||||||||
| 1.0 | 1.64-1.70 | 2.50-2.58 | |||||||
| 1.25 | 1.64-1.70 | 2.50-2.58 | |||||||
| 1.5 | 1.64-1.70 | 2.50-2.58 | |||||||
| 2 | 6.69-6.84 | ||||||||
| 2.25 | 6.69-6.84 | ||||||||
| 2.5 | 6.69-6.84 | ||||||||
| 3 | 6.69-6.84 | 2.50-2.58 | |||||||
| 3.25 | 6.69-6.84 | 2.50-2.58 | |||||||
| 3.5 | 6.69-6.84 | 2.50-2.58 | |||||||
| 4 | 6.69-6.84 | 2.50-2.58 | 2.50-2.58 | ||||||
| 4.25 | 6.69-6.84 | 2.50-2.58 | 2.50-2.58 | ||||||
| 4.5 | 6.69-6.84 | 2.50-2.58 | 2.50-2.58 | ||||||
| 5 | 6.69-6.84 | 2.50-2.58 | 2.50-2.58 | 2.50-2.58 | |||||
| 5.25 | 6.69-6.84 | 2.50-2.58 | 2.50-2.58 | 2.50-2.58 | |||||
| 5.5 | 6.69-6.84 | 2.50-2.58 | 2.50-2.58 | 2.50-2.58 | |||||
| 6 | 6.69-6.84 | 9.21-9.42 | |||||||
| Tolerances - 58 kpH | |||||
|---|---|---|---|---|---|
| fast | actual | slow | |||
| 1 ball | 1.64 | 1.67 | 1.70 | ||
| interior | 2.50 | 2.54 | 2.58 | ||
| 1st Seg | 6.69 | 6.77 | 6.84 | ||
| 2nd Seg | 9.21 | 9.31 | 9.42 | ||
| 55 kpH | Segment times required | ||||||||
|---|---|---|---|---|---|---|---|---|---|
| Score | 1 ball | 2 ball | 1st Seg | 4 ball | 5 ball | 6 ball | 2nd Segment | ||
| 0.25 | 1.73-1.79 | ||||||||
| 0.5 | 1.73-1.79 | ||||||||
| 1.0 | 1.73-1.79 | 2.64-2.72 | |||||||
| 1.25 | 1.73-1.79 | 2.64-2.72 | |||||||
| 1.5 | 1.73-1.79 | 2.64-2.72 | |||||||
| 2 | 7.05-7.22 | ||||||||
| 2.25 | 7.05-7.22 | ||||||||
| 2.5 | 7.05-7.22 | ||||||||
| 3 | 7.05-7.22 | 2.64-2.72 | |||||||
| 3.25 | 7.05-7.22 | 2.64-2.72 | |||||||
| 3.5 | 7.05-7.22 | 2.64-2.72 | |||||||
| 4 | 7.05-7.22 | 2.64-2.72 | 2.64-2.72 | ||||||
| 4.25 | 7.05-7.22 | 2.64-2.72 | 2.64-2.72 | ||||||
| 4.5 | 7.05-7.22 | 2.64-2.72 | 2.64-2.72 | ||||||
| 5 | 7.05-7.22 | 2.64-2.72 | 2.64-2.72 | 2.64-2.72 | |||||
| 5.25 | 7.05-7.22 | 2.64-2.72 | 2.64-2.72 | 2.64-2.72 | |||||
| 5.5 | 7.05-7.22 | 2.64-2.72 | 2.64-2.72 | 2.64-2.72 | |||||
| 6 | 7.05-7.22 | 9.70-9.94 | |||||||
| Tolerances - 55 kpH | |||||
|---|---|---|---|---|---|
| fast | actual | slow | |||
| 1 ball | 1.73 | 1.76 | 1.79 | ||
| interior | 2.64 | 2.68 | 2.72 | ||
| 1st Seg | 7.05 | 7.13 | 7.22 | ||
| 2nd Seg | 9.70 | 9.82 | 9.94 | ||
| Case | Score | Procedure | |
|---|---|---|---|
| All segments OK or F | less than 6 | Optional reride with protected score | |
| All segments OK or S | 6 | MR or opt up. If MR then protected score up to first S segment. | |
| All segments OK or S | less than 6 | MR with protected score up to first S segment. Score not to increase | |
| Both F and S segments | 6 | MR or opt up. If MR then protected score up to first S segment. | |
| Both F and S segments | less than 6 | MR with protected score up to first S segment. Score may increase | 
| SPEED | Gate-to-Gate Segmt Times | Overall Total Course Time | ||||||||||
| KPH | Score | F/T | FAST | IDEAL | SLOW | F/T | FAST | IDEAL | SLOW | |||
| 58 | 0.0-0.5 | E-1 | 1.65 | 1.68 | 1.71 | E-1 | 1.65 | 1.68 | 1.71 | |||
| 1.0-1.5 | 1-2 | 2.50 | 2.54 | 2.59 | E-2 | 4.17 | 4.22 | 4.27 | ||||
| 2.0-2.5 | 2-3 | 2.50 | 2.54 | 2.59 | E-3 | 6.70 | 6.77 | 6.83 | ||||
| 3.0-3.5 | 3-4 | 2.50 | 2.54 | 2.59 | E-4 | 9.23 | 9.31 | 9.39 | ||||
| 4.0-4.5 | 4-5 | 2.50 | 2.54 | 2.59 | E-5 | 11.76 | 11.86 | 11.95 | ||||
| 5.0-5.5 | 5-6 | 2.50 | 2.54 | 2.59 | E-6 | 14.30 | 14.40 | 14.50 | ||||
| 6.0 | 6-X | 1.65 | 1.68 | 1.71 | E-X | 15.97 | 16.08 | 16.18 | ||||
| 55 | 0.0-0.5 | E-1 | 1.74 | 1.77 | 1.80 | E-1 | 1.74 | 1.77 | 1.80 | |||
| 1.0-1.5 | 1-2 | 2.64 | 2.68 | 2.73 | E-2 | 4.39 | 4.45 | 4.51 | ||||
| 2.0-2.5 | 2-3 | 2.64 | 2.68 | 2.73 | E-3 | 7.06 | 7.13 | 7.21 | ||||
| 3.0-3.5 | 3-4 | 2.64 | 2.68 | 2.73 | E-4 | 9.73 | 9.82 | 9.91 | ||||
| 4.0-4.5 | 4-5 | 2.64 | 2.68 | 2.73 | E-5 | 12.40 | 12.50 | 12.60 | ||||
| 5.0-5.5 | 5-6 | 2.64 | 2.68 | 2.73 | E-6 | 15.07 | 15.19 | 15.30 | ||||
| 6.0 | 6-X | 1.74 | 1.77 | 1.80 | E-X | 16.84 | 16.95 | 17.07 | ||||
| Situation | Score | Procedure | 
|---|---|---|
| last time OK or F | 6 | continue | 
| last time S, OK segments | 6 | MR or opt up, protected score of 6 with no continue | 
| last time S, F segments | 6 | MR or opt up, protected score of 6 with no continue | 
| last time S, F and S segments | 6 | MR or opt up, protected score of 6 with no continue | 
| last time S, S segments | 6 | MR or opt up, protected score up to S segment | 
| last time S, OK segments | 6< | MR, protected score, cannot increase | 
| last time S, F segments | 6< | MR, protected score, can increase | 
| last time S, F and S segments | 6< | MR, protected score up to 1st S, can increase | 
| last time S, S segments | 6< | MR, protected score up to 1st S, cannot increase | 
| last time OK, OK segments | 6< | run completed | 
| last time OK, F segments | 6< | OR, protected score, can increase | 
| last time OK, F and S segments | 6< | OR, protected score, can increase | 
| last time OK, S segments | 6< | MR, protected score up to 1st S, cannot increase | 
| last time F, OK segments | 6< | OR, protected score, can increase | 
| last time F, F segments | 6< | OR, protected score, can increase | 
| last time F, F and S segments | 6< | MR, protected score up to 1st S, can increase | 
| last time F, S segments | 6< | MR, protected score up to 1st S, can increase | 
For the boat, see 10.01; for the tow lines see 10.05; for the tolerances see 11.01.
A contestant may refuse to enter the trick course by throwing his handle in the air or by being released by the quick release operator by means of a pre- arranged signal before entering the trick course. If, in the opinion of a majority of the Event Judges, this refusal is without acceptable reason, the skier loses the right to that pass. The skier must be ready to ski immediately upon the boat's return.
If the skier's refusal is accepted, the boat must repeat the regular path and once again head for the trick course.
a) Before the first pass, he loses the right to his first pass. The boat must then pick the skier up and bring him back in the direction of the second pass.
b) After the first pass and before the second pass he loses the right to continue the round.
If a majority of the Event Judges determine that the skier has fallen deliberately after the end of his 20 second pass, he loses the right to continue the round.
Each contestant shall be allowed two passes through the trick course during which time he may perform as many tricks as he desires.
The contestant shall receive his choice of a constant speed through the course for each pass. The boat speed in trick riding, assuming it is held constant from approximately 50 meters before entering the course, is the skier's responsibility.
Two sets of buoys approximately 175 meters apart shall establish the approximate area of the beginning of the trick pass from each direction (see Diagram 3). The end of the pass shall be signified by the 20-second time interval only.
a) at the skier's first movement toward doing a surface trick after reaching the approximate position of the first entrance buoy; or
b) as the skier crosses the wake to attempt a wake trick after reaching the approximate location of the first entrance buoy; or
c) If the skier fails to make any such movement, as the skier passes the second entrance buoy.
A "first movement" shall be considered as any movement toward beginning a surface turn. Wrapping the line for a turn shall not be considered such a movement in itself.
a) on the sounding of a short, loud audible device 20 seconds after the start of the pass. The 20-second interval shall be timed and indicated by an automatic device (see 11.03).
b) when the skier falls in course.
The boat shall follow as closely as possible the path specified by the Judges for the event, such path to include the preparation time before each pass. The second pass shall be in the opposite direction from the first pass. A skier may neither return to pick up a dropped ski nor add a second ski between passes.
At the skier's option, if he did not fall, the boat may stop between
passes
for a maximum of 30 seconds, however,
he may change equipment in the 30 second set down period
. The
30 seconds shall start when the boat gets to the skier. The
skier is allowed to change equipment after a fall or during the 30 second
set down. In both cases he has only 30 seconds in which to change and
at the end of 30 seconds the skier must be in the
water ready to go or he loses the right to his second pass.
If a skier refuses to enter the course under the provision in Rule 15.01, and he is not ready when the boat returns for him, he shall be considered as having fallen.
The skier shall tell the boat driver what speed he desires on each pass, or he may use the preparation time to set the speed up to 50m before entering the course.
The skier may request a speed change by hand signal in the 50 m before he enters the course, but by doing so must accept the speed given without the right to request a reride for incorrect speed, assuming that the speed is held constant in the course.
Skiers in the Trick event or other persons shall not communicate with the Judges between passes for the purpose of determining whether a trick or tricks attempted in the first pass were scored.
There shall be five judges scoring tricks. They shall be the event judges. The judges' positions shall be a minimum of 3m above water level. Each judge shall watch and record the tricks independently. He shall list each trick attempted by the skier and decide with respect to each trick:
a) if it was performed according to the rules governing that trick; and
b) if it was started after the beginning or completed before end of the pass.
A Boat Judge shall ride in the boat to check speeds and observe the boat path. The Chief Judge may designate the boat driver as the Boat Judge in the event that a TV camera is operated from the boat. The driver shall be designated as the Boat Judge when the official video is taken from the boat.
A person of the skier's choice may be on board to operate a release mechanism supplied by the competitor who assumes all responsibility for his actions, provided he notifies the starter at the dock, at least three skiers listed on the starting list before his turn, of his wish to use a person of his choice for the purpose of operating a release mechanism.
This release person will be considered a part of the skier's equipment, and any delay created by him will be attributed to the skier for the purposes of Rule 2.05. The skier-supplied release operator will subject the skier to disqualification in the event he interferes vocally or physically with the duties of the boat driver or the Boat Judge.
The skier is fully responsible for any release or malfunction of the device, and no request for reride will be granted upon premature or accidental release.
A skier may accept a tournament-supplied release mechanism. In that case, he takes all responsibility for the device. If the tournament supplied release breaks and is no longer usable the event officials may grant a re-ride.
A weight between 20 - 50 kg may be used to adjust the wake pattern - not to increase the wake size. The Boat Judge and Driver shall decide how much weight is applied according to who and what is riding in the boat. The skier has the choice of where to place the weight - side to side at the feet of the pin man or to remove it.There shall be a timer (or timers) on shore located at a point that will allow him (them) to best determine the start of the trick pass. The timer(s) shall start the timing device at the beginning of the trick pass as defined in Rules 15.06, 15.07. At the end of 20 seconds the audible device shall sound. The official start shall be as defined in Rule 15.06 and the audible device shall signal the end of the pass. Some form of backup device for the audible signal must be provided in the event that the official device fails to operate.
The audible device to signal the end of the pass shall be located in the center of the course. If possible, additional devices should be located at both ends of the course.
An audible signal different from the end of pass signal indicating the start of each pass shall be given by the timer to the judges.
In the event that there is a malfunction and the time is missed, the skier will be given the option of a re-ride. Alternatively, the judges, under the supervision of the Chief Judge, will determine the time from the video tape providing the entry course buoys appear on the tape or a majority of the judges rule that the skier was in the course at the start of the run.
Where an automatic timing device is available which can select the median of five separate triggering signals, the event judges may collectively serve as the official timer.
Alternatively, a video trick timing system may be used. When it is used, the end of the 20 second pass shall be determined by the video measurement. A start/stop judge shall operate or supervise the operation of the video trick timer. (This may also be the end trick review judge) Depending on the system being used he may or may not work with the timer to signal the start and stop.The trick review judge shall make a determination of the last trick in time. If the Chief Judge agrees with this determination, it shall be official. If the Chief Judge disagrees then it is the responsibility of the 5 event judges to determine if the last trick is in time.
Optionally, the Chief judge may assign a second video timing judge in his place, of a different nationality than the first judge in international tournaments. If these two judges disagree, the Chief Judge will resolve the disagreement.
Since the video is being used on all runs, this process will replace the 10,000/7,000 point review process referred to in Rule 15.15
The official appointed to review the video shall be assigned for the whole event/series.
It is strongly recommended that L&R tournaments use this technology in 2000. It is required in 2001 and beyond.
a) To receive credit for any trick the skier must remain in or return to skiing position.
b) Only tricks listed in the Rules will be scored in a tournament.
c) A skier shall receive credit for a trick performance only if it is performed in the order as declared on his trick list. Tricks performed not listed or performed in a different order than on the trick list score zero. The order shall not be regarded as broken for the failure to perform a listed trick, the failure of the judges to give credit for a trick performed, or the performance of one or more tricks not listed before resuming the listed sequence. The skier may choose which pass he wishes to perform first.
d) If a skier falls on his first pass, he may choose to repeat it as his second pass.
a) A trick not completed before the end of a pass shall not be scored.
b) A trick completed before the end of a pass shall not be scored if the skier ultimately falls as a result of that trick, even if the fall is after the conclusion of the pass.
The tricks shall be filmed by a video camera from a suitable shore position. If a suitable position cannot be found, the tricks may be filmed from the boat. If more than one video camera is used, the Chief Judge shall declare one as official prior to the event.The video film may only be shown as an aid to the Event Judges under the following circumstances:
a) At the request of the Chief Judge or the Chief Calculator if it is not possible for the Calculators to obtain a majority decision as to the trick or tricks performed.
b) At the request of the Chief Judge or Chief Calculator if it is not possible for the Calculators to obtain a majority decision as to whether or not credit is to be given for a trick.
c) In circumstances which the Chief Judge
regards as exceptional, 
the Chief Judge may review the tape and ask the Event 
Judges to look
at the run again so that the correct score may be established.
the Event Judges may review the
tape. This request should not be granted if the intention is to change
a Judge's decision under 15.11 (a) and (b). 
The video will only be shown at normal speed.
Any time there is a 3 - 2 split on the last trick in time on a run of over 10,000 points for men or 7,000 points for women, a designated qualified judge shall be appointed by the Chief Judge to review the video. (The reviewer may be one of the other panel officials provided he/she is suitably qualified as a 1st class judge). If the designated person does not agree with the judges' decision, it will then be reviewed by the Chief Judge if he/she is not already the designated reviewer. If both the video reviewer and the CJ agree their decision will stand. If they disagree or the reviewer is the CJ, then the event judges have to review. The official appointed to review the video shall be assigned for the whole event/series.
A list of declared tricks to be attempted by the skier shall be required from each entrant in the trick event before the event starts. The Chief Judge and Chief Calculator shall determine the exact time when the list must be submitted for each seed of the elimination rounds and for the final rounds. Corrections may be allowed up to one hour before the seed and the final. The trick list shall be prepared using the official code shown in the table of trick values. Reverse turns must be indicated by an R preceding the official code. In each declared trick pass, the skier may list only one trick and its associated reverse, if any, on two skis and one trick and its associated reverse, in any, on one ski under each number in the table, except that any type of 180o turn may be listed more than once. If a trick (non-180) is listed twice in the same pass then it is treated like it is not there, neither it nor any reverse which follows it may score. Only the first instance of the trick will be considered by the scorers. A contestant who fails to submit a trick list shall be disqualified from that trick round. A skier may submit a different trick list for the event finals if he so desires. The declared list shall be made available to the officials at the discretion of the Chief Judge.
The scorers shall receive the tabulations and, in the event of a discrepancy, shall decide the tricks to be scored on the basis of a simple majority from among the judges' individual tabulations as to:
a) what trick was performed;
b) if it was performed according to the rules governing that trick; and
c) if it was started after the beginning or completed before the end of a pass; and
d) if it was declared by the skier in his submitted trick list according to Rule 15.16.
If there is more than one sequence that can be scored, the sequence that gives the maximum points shall be used.
Event placement for skiers qualifying for the final round will be based on their final round results only. The contestant with the highest score shall be the winner.
The better score in either the preliminary or the final round shall be used to calculate the team score.
The score in the preliminary round shall be used to calculate the preliminary round overall results with the final overall placement being determined by the overall finals.
If a tie exists for first place, it shall be run off. If a tie exist for 2nd or 3rd place, placement shall be decided on the basis of the higher preliminary round score. If a tie still exists, it shall be run off. The run off shall have a new drawing for order. Each tying contestant shall be allowed one pass through the trick course until the tie is broken.
a) Except in the case of attempted side slide turns, a trick is any activity which occurs between two hesitations. In the case of an attempted side slide, the hesitation in the 90- degree position is to be ignored in applying this rule. Credit may be received for performance of only one trick and the associated reverse, if any, on two skis and one trick and the associated reverse, in any, on one ski under each number in the table. If this rule is violated, only the higher scoring of the repeated tricks shall be scored.
b) A wake turn not executed in mid-air and across the crest of the wake scores 0. It is not scored as a water turn.
To receive credit for the wake flip, it is required that both feet be higher than the head and in approximately the same vertical plane at some point during the execution of the trick. A front wake flip shall be defined as a forward somersault done in the air off the wake in which the tail of the ski passes up and over the head as the head goes down and forward. Both feet must be above the head and in approximately the same vertical plane at some point during the execution of the trick.
For wake flips with body rotation (#54, #55), the body rotation must be done simultaneously with the flip, not before or after. The WFLIPBFB is not considered a 180 degree turn either for purposes of declared tricks as referenced in Rule 15.16 or for reverse turns as described in 15.19 c). Additionally, for the WFLIPBFB, the reverse must land in the opposite wrap or turn in the opposite direction. Also, specifically for the WFLIPBLB, the stepover portion of the trick must be done simultaneously with the flip and the body rotation.
c) A reverse trick must immediately follow the basic turn in the same pass; however, any type of 180o turn is allowed between two such turns. The reverse shall not be disallowed simply because it follows an attempted trick which has not been credited or because the basic trick is a repeated trick.
Reverse turns under Trick 5 are limited to 360º but may follow a 360º, 540º, or 720º.
Reverse tricks under Trick 12 are limited to 540º but may follow a 540º, or 720º.
On 1 ski and 2 skis only one basic trick and one reverse are allowed under Trick 27 and under Trick 28, but may be any reverse trick listed, i.e., the original may be a WL5, WL5L, or a WL7, and the reverse may be any reverse of any of the above.
The reverse WFLIPB is defined as a WFLIPB leading with the opposite shoulder and traveling in the opposite direction (right to left vs. left to right) from the original WFLIPB, immediately following it. This is identically true for the WFLIPBFB..
d) Stepover line tricks are complete only when the free foot touches ski or water or the lifted ski touches water after the turn before the next trick or the end of the pass.
The skier may not put his leg or lifted ski across or on top of the line, the handle, or either arm until he begins to execute the turn. The stepover and turn actions must be simultaneous. Immediately on completion of a FB stepover turn, the skier must have at least one arm between his legs holding the handle.
A wake stepover 360º consists of a 180º wake stepover and a 180º wake combined, in either order, all done in the air, off the wake, in a continuous turn. A wake stepover 540º consists of a 180º wake stepover and a 360º wake combined, in either order, or a 180º wake stepover preceded and followed by a 180º wake combined, all done in the air off the wake in a continuous turn. A wake double stepover 540º consists of a 180º wake stepover and a wake stepover 360º combined, in either order, all done in the air off the wake in a continuous turn.
To complete these trick successfully, either FF, BB, FB, or BF, the skier, when he is in a back position, must have at least one arm between his legs holding on to the tow handle.
A stepover turn not performed according to the rules for a stepover but conforming to the rules for a 180º or 360º surface or wake turn shall be scored as zero.
Toehold stepover tricks must be a simultaneous action. The towing foot may not touch the water during the execution of the toehold stepover.
e) All side slides include a 90º turn from skiing position and a return to the skiing position in the original direction. Whether the side slide is hand-held or toehold, the ski must slide for at least 2m.
f) In ski line tricks, both feet must be on the ski and pass over the line while in midair. The feet may pass over the line at any point during the execution of the turn. The line must be out of the water during the execution of the run. This does not include the inadvertent hitting of the rooster tail near the boat.
g) Once the skier has put the toe strap on his foot, any trick performed in which the foot in the strap intentionally touches the ski during the setup or execution of the trick shall not be scored.
The IWSF shall recognize World records for tricks points, slalom performances, jump distances and overall points for the Men's and Women's divisions. The Regions may, in addition, recognize Region records under the same standards provided for World records. The Regions may, however, recognize records for division other than those recognized by the IWSF. The Region in which a record may be recognized shall be determined by the nationality of the skier rather than the location of the tournament.
Records may be set only at tournaments homologated by the IWSF, a Region, a Federation, or the Tournament Council of the IWSF.
In any one tournament, no more than three rounds are eligible for setting records except that in a tournament where the first round is a preliminary round and the following three rounds are either an 8-4-2 bracket as described in Rule 17 or open rounds with a cut to the same numbers, i.e. 8, 4, 2.
The longest officially authenticated distance jumped in a round of a tournament shall be a new record if it exceeds the official record performed on a date before the tournament. If the distance equals the established record, the skier will become co-holder of the established record.
The highest scoring slalom performance performed on a date in a round of a tournament event shall be a new record if it exceeds by 1/4 point or more the official record performed on a date before the tournament. If the score is equaled, the skier will become co-holder of the established record.
For the trick event, the best performance in a round of a tournament will only be considered as a new record if it exceeds the official record performed on a date before the tournament. If the score is equaled, the skier will become co- holder of the established record.
The highest scoring overall performance performed in a tournament shall be a new record if it exceeds by 0.01 point or more the official record performed on a date before the tournament. If the score is equaled, the skier will become co-holder of the established record. The scoring will be based on the scores noted in Rule 5.06
| Slalom | Trick | Jump | |
|---|---|---|---|
| Men | 1@9.75 | 11680 | 67.8 | 
| Women | 1@10.25 | 8580 | 50.5 | 
Overall Records may be set in tournaments where there is no overall
competition as long as there are distinct rounds of each event and the performances
are all in the same round. 
Overall records may be approved at the tournament under the
authority of the Chief Judge and Homologator who shall
submit a form attesting to the performances along with
the Electronic Homologation Dossier showing that all the
requirements for an R tournament were met. 
In the event of equal performances in a round of a tournament event, the record shall be co-held no matter which skier may be the ultimate winner of the event.
Specifications of equipment, courses and measuring devices shall be set by the Official IWSF Record Forms, which must be completed and certified by the Region Tournament Council Chairman, by the Chief Judge and other required officials.
These record forms shall require that for a trick or slalom record, the performance must be video taped.
a) Slalom. Video will be taken from both ends of the slalom
course centerline per the rules requirements.
The five event judges will examine the video for compliance to Rule 14.07
(straight path) and Rule 14.14 (boat path inside gates).
The video will be sent with the record forms to the chairman of the IWSF
Tournament Council. 
The video will be examined to verify that the path is within the following deviation specifications:
Maximum deviation of the boat at the guide buoys - 20 cm toward the buoy.
Total cumulative deviation allowed based on score is as follows:
| Score | Cumulative Deviation | 
| 0.25 - 1.00 | 20 cm | 
| 1.25 - 2.00 | 28 cm | 
| 2.25 - 3.00 | 35 cm | 
| 3.25 - 4.00 | 40 cm | 
| 4.25 - 5.00 | 45 cm | 
| 5.25 - 6.00 | 49 cm | 
b) Tricks. Video will be taken as per Rule 15.15. This video will be viewed in regular speed by the Event Judges for record verification. Although the record verification cannot change the score recorded in the tournament, the score may be changed for the record submission. The video will be sent with the record forms to the chairman of the IWSF Tournament Council.
c) In jumping, a video jump measurement system is required. Currently there are three approved systems. One system is the photogrammetric based system requiring one camera and grid buoys developed by Bob Corson (USA). Another is the two camera trigonometric system developed by Olaf Boettcher (GER). A three camera trigonometric system developed in Japan was also approved.
The homologator will measure the exact position of the video jump buoys in the video jump buoy course (if used).
A video jump record submission shall include the survey, a copy of the video, a gif formatted file of the record jump, a gif file of the video grid box if in the record jump gif any of the buoys are obscured, and all configuration and setup files appropriate for the system being used to allow independent verification.
All submitted videos will be VHS. The format that the tape was recorded in will be clearly marked on the tape.
a) World Records may only be set at tournaments sanctioned by the IWSF, a Region, or an affiliated National Federation. In some instances, a Region or Federation may specify specific events as record capability. In this instance, only performances from such specified events shall be considered for World Records.
b) At tournaments where World Records may be set, the Tournament Homologator shall be responsible for supplying the Chief Judge with the technical information required by the IWSF record application form.
c) The Chief Judge shall be responsible for the completion of the required application. The completed record form shall be sent by the Chief Judge within one week of the completion of the event to:
the skier's National Federation
the Chairman of the Region Tournament Council where the record was performed
the Chairman of the IWSF Tournament Council
Under no circumstances will a record application be considered unless the appropriate record application forms are completed and all rules conformed to within the stated time limits of one week (7 days).
d) Upon receipt of the form and the necessary support documentation, the Chairman of the IWSF Tournament Council will either approve or disapprove the application and will advise the IWSF Tournament Council members and the IWSF President of his decision.
e) The record will then be official, pending final ratification by the Tournament Council and the IWSF President.
f) The Tournament Council and the IWSF President must advise the Chairman of their ratification or disapproval of his ruling within 30 days of their receipt of the information.
g) Records shall be ratified if approved by a two- thirds majority of the Tournament Council. There shall be no proxy voting.
h) A record can only be approved if the performance was achieved during a sanctioned competition (c.f. 16.02). Record performances achieved during a run-off of a tie are not acceptable.
i) Should the Tournament Homologator and/or Chief Judge fail in the responsibilities of these duties, sanction shall be determined and levied by the IWSF Executive Board following receipt of a report by the Region Tournament Council Chairman.
j) In the unusual instance where a potential World Record performance occurred and it was intentionally not applied for as a World Record, the Tournament Homologator, Chief Judge, skier, and Federation may be subject to Article XII, Item 46, of the IWSF Constitution.
Head-to-head competition may be held instead of the regular format detailed in these rules. A preliminary contest for seeding may be held, or seeding may be based on previous performances or the World Rankings.
a) Rounds. The tournament shall consist of three rounds.
b) Cutting Procedure. The first round shall consist of eight skiers. The second round shall be cut to four skiers. The third round shall be cut to two skiers.
c) Pairings. The top eight skiers are paired high score against low score. The skier with the higher score may choose to go out first or second at each pairing. In slalom, all skiers must start at the same predetermined speed and line length (see diagram).
d) General. In each head-to-head pair, the skier going first shall follow the towboat through the entrance gate in the slalom course, pass around the outside of any or all six buoys at his discretion, and proceed through the exit gate (constituting a pass). The boat shall then stop outside the course and the skier going second in the pair shall make a pass through the course in the same manner behind a second boat. If the first skier has not missed any buoys or gates, he shall re-enter the course from the opposite end, and following the completion of his pass, the second skier, if he has not missed any buoys or gates, shall also re-enter the course from the opposite end. The skiers shall continue in this manner until each of them has either fallen or missed a buoy or a gate. Jump and trick competition may be held in the same manner. Optionally, one boat may be used. In this case, the first skier will ski until he misses or falls. The second skier will then attempt to better the first skier's score.
e) Placement shall be determined as follows:
The skier with the higher score in each head-to-head pair shall be the winner of that pair. If the skiers tie, the skier who went first shall be declared the pair winner. The contestant winning the pairing in the third round shall be the winner of the event. The other skier in the final pair shall be considered as the second place skier. Optionally, the two losers in the second round may be paired up to determine third place. If this is done, this pairing shall be run off before the final pairing.
f) Boats. Two alternating boats shall be used in all events. The order shall be determined by the Chief Judge. Optionally, one boat may be used (see d).
HEAD-TO-HEAD COMPETITION PAIRING TREE
 
 
If video judging review is used, the video will be used when
there is a 3-2 decision on a buoy score (either awarding the score or not)
or a non- unanimous decision on a gate. In the case of a buoy score, the
final determination will be made by the Chief Judge and another designated
video judge. If the Chief Judge and the designated video judge do not unanimously
agree on a score, the original score given by the event judges will stand.
In the case of a non unanimous gate call, the applicable tower judges will
review the video. If they do not unanimously agree on the gate, the original
decision will stand.
All video review decisions will be reviewed by the panel after
the event for information purposes only.
The video for the buoy score will be taken from the boat. The
video for the gates will be taken from the slalom judging towers.
If it is not feasible to place the judges
tower at the prescribed angle, a video camera may be mounted at the proper
angle and the live signal fed to a monitor that the tower judges can observe
the gate and the gate judgment will made from the monitor. The signal will
be taped so that review is possible.
17.03: Optional Slalom Judging
Method
a) As an option, 2 judges may be used in slalom on
a centrally located tower rather than using two towers. In this case, the
tower will be located between buoy 3 and 4 with the same height requirements.
Additionally, there will be video feeds from cameras placed at the required
angle to the gates at each end. These camera feeds will be displayed on
a monitor and taped. Each judge will independently call the entrance gate
by observing the monitor. If one or both judges did not observe the entrance
gate then the judge would replay the video at normal speed to make the
call. If both judges disagree, the boat judge will cast the deciding vote.
The exit gate will be viewed directly, but the video may be used by one
or both judges to resolve any questions.
b) Additionally, a boat video may be used. If a skier/Team Representative believes that there was an error in the score, he may challenge it by notifying the Chief Judge before the next skier goes out and by putting up SF250. The Chief Judge and a designated review judge will review the video. If they both agree on a score, that will be the given score. If they disagree or agree that the video does not clearly overrule the score given by the judges, then that score will stand. The SF250 will only be returned if the original score was changed.
Rule 18 Ski Flying
18.01: Ski Flying general 
definition and conditions
Ski Flying is intended to be an experimental, promotional event limited to elite skiers and with a limited number of contests sanctioned. All IWSF Rules apply per this rulebook with the following exceptions and modifications as noted below which will supercede the relevent rules as indicated.
b) The surface must be flat with a maximum deviation of 5.0 cm. from a plane as measured in 13.02 f)
c) The jump ramp should be an inclined plane with an apron on the right hand side. The ramp
shall meet the following specifications:
| Speed | fast | actual | slow | 
| 57 | 5.11 | 5.18 | 5.25 | 
| 60 | 4.86 | 4.92 | 4.99 | 
| 63 | 4.63 | 4.69 | 4.75 | 
| 66 | 4.42 | 4.47 | 4.53 | 
| 69 | 4.23 | 4.28 | 4.33 | 
| 72 | 4.05 | 4.10 | 4.15 | 
| dimension | range | 
| 210m(length) | 207.9m-212.1m | 
| 210m(off-line) | -.5m to + .5m | 
| 82m | 81.59m-82.41m | 
| 41m | 40.795m-41.205m | 
| 19m | 18.85m-19.15m | 
| 21.5m | 21.35m-21.65m | 
| 10m | 9.8m- 10.2m | 
| 5m | 4.90m-5.10m | 
| 2.5m | 2.40m-2.60m | 
| buoy | color | 
| 19st | red | 
| 21.5st | red | 
| 19mt | yellow | 
| 21.5mt | yellow | 
| 19et | red | 
| 24et | red | 
| 19ec | yellow | 
| 21.5ec | yellow | 
| 24ec | yellow | 
| 210m | green | 
a) The maximum size acceptable triangle is one with an inscribed circle diameter of 10cm. If the diameter is greater than 10cm, one vertex may be used if it agrees with an alignment sighting.
For L class and lower, a two station survey may be used. A visual check must be made confirming the straightness of the course. This also applies to the jump course.
The recommended centerline is a line from the middle of the entry gates to the middle of the exit gates.
b) The surveying instrument must have an accuracy of 20 seconds or better.
c) All skier buoys and end gates must be measured (diameter and height) for record submission.
d) The ropes should be stretched by use in practice or on land against a fixed object to insure tightness of the splices before measurement. When used in practice, the ropes should be used in rotation to give them equal use.
e) Personal handles shall be measured by the dock starter under the responsibility of the homologator, immediately before the skier skis. Once the handle is measured it will remain in the custody of the tournament officials until it is used.
a) In reference to Rule 15.15, a suitable shore position is the most centrally located judge's position or equivalent viewpoint.
b) A video with a free running clock embedded on the screen with a display of at least. 1 second resolution is recommended.
c) The audio on the Video Camera Recorder shall pick up the sound of the horn.
d) Tape format is to be VHS as per Rule 16.07.
a) The jump course shall be checked by survey.
b) The computer system must be checked against the benchmark.
c) The ramp setup must give proper triangles as described in the benchmark.
d) Protractors should be in degrees with a gradation of .2 degrees. Minimum radius of the protractor shall be 25 cm.
e) The maximum difference of readings between top and bottom stations on a fixed sighting point (on land) shall not exceed .1 degree. This is to be checked at several points through the range and include the other stations.
f) Angles may be called in to .1 degree of accuracy.
g) A recommended check is to sight buoy 15ET for a small triangle and check against actual distance.
h) Personal handles shall be measured by the dock started under the responsibility of the homologator, immediately before the skier skis.
i) When Video Jump measurement is used, two test buoys must be placed at approximately 40m and 60m jump distances and their exact location as measured by survey and by the video jump system must be recorded on the dossier. The buoys must be independent of the video jump system (i.e. not used as reference buoys by the system).
The Electronic Dossier checklist shall be
submitted within 14 days
 by uploading it to www.iwsf.com via the Submit Homologation Dossier function.
 Calibration should take place before the competition starts or
the skiers arrive. 
 The homologation notice will state the make and model of the speed control
and if specific features/settings are to be used (i.e. for Perfect Pass
whether wakeboard or trick mode will be used for the trick event).
5. Speed Control
WATER TURNS
| 2 SKIS | 1 SKI | ||||||
| CODE | DESCRIPTION | NO. | BAS | REV | BAS | REV | |
| S | Side Slide | 1 | 20 | 20 | 40 | 40 | |
| TS | Toehold side slide | 2 | - | - | 130 | 130 | |
| B | 180 | F-B | 3 | 30 | 30 | 60 | 60 | 
| F | B-F | 4 | 30 | 30 | 60 | 60 | |
| 0 | 360 | F-F | 5 | 40 | 40 | 90 | 90 | 
| BB | B-B | 40 | 40 | 90 | 90 | ||
| 5B | 540 | F-B | 50 | - | 110 | - | |
| 5F | B-F | 50 | - | 110 | - | ||
| 7F | 720 | F-F | 60 | - | 130 | - | |
| 7B | B-B | 60 | - | 130 | - | ||
| LB | 180 | F-B Stepover | 6 | 70 | 70 | 110 | - | 
| LF | B-F Stepover | 7 | 70 | 70 | 110 | - | |
| TB | 180 | F-B Toehold | 8 | - | - | 100 | 100 | 
| TF | B-F Toehold | 9 | - | - | 100 | 100 | |
| TO | 360 | F-F Toehold | 10 | - | - | 200 | 200 | 
| TBB | B-B Toehold | 11 | - | - | 200 | 200 | |
| T5B | 540 | F-B Toehold | 12 | - | - | 350 | 350 | 
| T7F | 720 | F-F Toehold | - | - | 450 | - | |
| T5F | 540 | B-F Toehold | 13 | - | - | 350 | - | 
WAKE TURNS
| 2 SKIS | 1 SKI | ||||||
| CODE | DESCRIPTION | NO. | BAS | REV | BAS\ | REV | |
| WB | 180 | F-B | 14 | 50 | 50 | 80 | 80 | 
| WF | B-F | 15 | 50 | 50 | 80 | 80 | |
| WO | 360 | F-F | 16 | 110 | 110 | 150 | 150 | 
| WBB | B-B | 17 | 110 | 110 | 150 | 150 | |
| W5B | 540 | F-B | 18 | 310 | 310 | 310 | 310 | 
| W5F | B-F | 19 | 310 | 310 | 310 | 310 | |
| W7F | 720 | F-F | 20 | 800 | 800 | 800 | 800 | 
| W7B | B-B | 21 | 480 | 480 | 480 | 480 | |
| W9B | 900 | F-B | 22 | 850 | 850 | 850 | 850 | 
| W9F | B-F | 850 | 850 | 850 | 850 | ||
| WLB | 180 | F-B Stepover | 23 | 110 | 110 | 160 | - | 
| WLF | B-F Stepover | 24 | 110 | 110 | 160 | - | |
| WLO | 360 | F-F Stepover | 25 | 200 | 200 | 260 | 260 | 
| WLBB | B-B Stepover | 26 | 200 | 200 | 260 | 260 | |
| WL5B | 540 | F-B Stepover | 27 | 300 | 300 | 420 | 420 | 
| WL5LB | F-B Double Stepover | - | - | 500 | 500 | ||
| WL7F | 720 | F-F Stepover | 27A | 700 | 700 | 700 | 700 | 
| WL9B | 900 | F-B Stepover | 27B | 800 | 800 | 800 | 800 | 
| WL5F | 540 | B-F Stepover | 28 | 300 | 300 | 420 | 420 | 
| WL5LF | B-F Double Stepover | - | - | 500 | 500 | ||
| WL7B | 720 | B-B Stepover | 550 | 550 | 550 | 550 | |
| WL9F | 900 | B-F Stepover | 28A | 800 | 800 | 800 | 800 | 
| TWB | 180 | F-B Toehold | 29 | - | - | 150 | 150 | 
| TWF | B-F Toehold | 30 | - | - | 150 | 150 | |
| TWO | 360 | F-F Toehold | 31 | - | - | 300 | 300 | 
| TWBB | B-B Toehold | 32 | - | - | 330 | 330 | |
| TW5B | 540 | F-B Toehold | 33 | - | - | 500 | 500 | 
| TW5F | B-F Toehold | 34 | - | - | 500 | - | |
| TW7F | 720 | F-F Toehold | 35 | - | - | 650 | 650 | 
| TW7B | B-B Toehold | 36 | - | - | 650 | - | |
| TWLB | 180 | F-B Toehold Stepover | 37 | - | - | 320 | - | 
| TWLF | B-F Toehold Stepover | 38 | - | - | 380 | - | |
| TWLO | 360 | F-F Toehold Stepover | 39 | - | - | 480 | 480 | 
| TWLBB | B-B Toehold Stepover | 40 | - | - | 480 | 480 | |
| TWL5B | 540 | F-B Toehold Stepover | 41 | - | - | 600 | 600 | 
| TWL5F | B-F Toehold Stepover | 42 | - | - | 700 | - | |
| WFLIPF | Forward Somersault | 43 | 800 | - | 800 | - | |
| WFLIPB | Backward Somersault | 44 | 500 | 500 | 500 | 500 | |
| SLB | F-B Ski Line | 45 | - | - | 350 | 350 | |
| SLF | B-F Ski Line | 46 | - | - | 400 | 400 | |
| SLO | 360 | F-F Ski Line | 47 | - | - | 400 | 400 | 
| SLBB | B-B Ski Line | 48 | - | - | 450 | 450 | |
| SL5B | 540 | F-B Ski Line | 49 | - | - | 550 | 550 | 
| SL5F | B-F Ski Line | 50 | - | - | 550 | 550 | |
| SL7B | 720 | B-B Ski Line | 51 | - | - | 750 | 750 | 
| SL7F | 720 | F-F Ski Line | 52 | - | - | 800 | 800 | 
| WDFLIPB | Wake Double Flip | 53 | 1000 | - | 1000 | - | |
| WFLIPBFT | Wake Flip Full Twist | 54 | 800 | - | 800 | - | |
| WFLIPBBBT | Flip Full Twist BB | 800 | - | 800 | - | ||
| WFLIPBFB | Wake Flip Half Twist | 55 | 750 | 750 | 750 | 750 | |
| WFLIPBLB | Wake Flip Twist Line Back | 800 | 800 | 800 | 800 | 
The following substitutions will be allowed on declared trick runs:
a) A reverse turn may be indicated by the letter "R" alone
b) SS may be used for S in trick numbers 1&2
c) OB may be used for BB in all tricks where it is normally used (#5, 11, 17, 26, 32, 40, 48)
d) T5B may be used to indicate a RT5B when it immediately follows a T7F
e) An R for reverse turns may precede or follow the trick code
f) The following variations will be allowed.
WTS for TS or RTS in #2
T7 for T7F in #12
OB or OBB for BB in #'s 5,11,17,26,32,40,51
BB for B in #'s 21,36 & 54 (T7B,TW7B,SL7B)
FLP or FL or FP for FLIP in tricks 43-47
any transposition of the letters WTB/WTF and WBflip
| World Record | Ranking List | |
| Prior Announcement | YES | YES | 
| Region Approved Panel | YES | YES | 
| Number of Rounds | 3 or Preliminary with 8 bracket | 3 or Preliminary with 8 bracket | 
| Conflict of Interest Rules | National Federation Rule *4 | National Federation Rule *4 | 
| Chief Judge | 1st Class | 1st Class | 
| Homologator | Highest Rating | Highest Rating | 
| Calculator | Region Standard*1 | Region Standard*1 | 
| Driver | top 2 ratings | top 2 ratings | 
| SLALOM | ||
| Course Check | SURVEY*2 | SURVEY*2 | 
| Slalom Course | No single center line floating courses except of approved design*3 | no single center line floating courses except of approved design*3 | 
| Tolerances | Per Rule Book | Per Rule Book | 
| Buoys | Measured | Measured | 
| Timing | Automatic | Automatic | 
| End Course Video | Required | Required | 
| Video method | minimum 1/6th screen width of end buoys, 1/3 recommended-one end only | Region Standard*1 | 
| Judging Towers | both sides perfect sight | both sides perfect sight | 
| Judges | 5 1st class | 3 1st class/ 2 2nd class minimum | 
| Backup timer | Region Standard*1 | Region Standard*1 | 
| TRICKS | ||
| Course Check | Visual | Visual | 
| Tolerances | Per Rule Book | Per Rule Book | 
| Timing | Region Standard*1 | Region Standard*1 | 
| Video | YES | YES | 
| Judges | 5 1st Class | 3 1st Class/2 2nd Class Minimum | 
| 10,000/7,000 Point review Judge | 1st Class | Not Applicable | 
| Timer | top 2 ratings | top 2 ratings | 
| Boat Judge | Region Standard*1 | Region Standard*1 | 
| JUMP | ||
| Course Check | SURVEY*2 | SURVEY*2 | 
| Tolerances | Per Rule Book | Per Rule Book | 
| Timing | Automatic | Automatic | 
| Protractors | Not Applicable | .2 degrees min - .25m radius | 
| Difference on a fixed point | Not Applicable | .1 degrees Maximum | 
| Distance Calculation | COMPUTER | COMPUTER | 
| Program Check | YES | YES | 
| Judges | 3 1st Class | 2 1st Class/ 1 2nd Class minimum | 
| Video Judges | 1st Class | 1 1st Class/ 1 2nd Class minimum | 
| Backup Timer | Region Standard*1 | Region Standard*1 | 
| Speed Control | Required*5 | Required*5 | 
| Homologation Dossier | IWSF Electronic Dossier Required | IWSF Electronic Dossier Required | 
*1 The Tournament Council of each of the three geographic Regions of the IWSF will set the standard to be used in that Region.
All R or L class tournaments must meet or exceed the standards of the IWSF rule book.
*2 Two meter surveys are allowed for class L and lower. A 3 meter survey or a 1 meter with laser range finder survey are the only acceptable methods for R tournaments. For a 1 meter survey, angle only spot checks from a second position are recommended.
*3 For a single center line course to be used, the buoy support structure must be rigid. The buoy support structure is independent of the cable, but attached to it. The structure must guarantee that the line of the three buoys is perpendicular to the wire. The center cable must be taut to assure a straight line. Please refer to additional material detailing this design in Diagram 8.
*4 No conflict of interest allowed for Cash Prize tournaments and strongly recommended for L and R if there is no national federation conflict of interest rule.
*5 For 1999 speed control is required for all L and R tournaments.
  In L and R class tournaments, if speed
control fails scores eligible
for the Ranking list are limited to:
Category Slalom Figures Jump Overall Men 3 buoys @58/10.75m 8500 points 61 m 2200 points Women 6 buoys @ 55/12m 6000 points 40 m 2100 points Junior Men 3 buoys @ 58/12m 5000 points 41 m 1500 points Junior Women 3 buoys @ 55/13m 4400 points 32 m 1500 points 
a) Each Federation may send up to four skiers. Of these four skiers, a maximum of three of either sex is allowed.
b) The maximum age of any skier participating is 16 years as of December 31 preceding the tournament. This means that the last year of eligibility of a skier is the year in which he has his 17th birthday. Specifically, this means that for the tournament in 1998, anyone born in 1981 or later is eligible.
c) Each skier participating must hold a valid rating card (no older than 1 year) showing these minimum results in the event in which he or she participates:
| Slalom | Tricks | Jump | |
| Boys | 6@55 kpH | 2500 | 30 m | 
| Girls | 6@52 kpH | 2000 | 20 m | 
The technical rules shall be identical to those in the most current IWSF Technical Rules with the exception of age and qualification restrictions as stated above and the modifications to the Technical Rules as stated below:
It is generally understood that any reference to the World Championships shall be applicable to this tournament if appropriate.
Drug testing is specifically allowed for junior competitions
1.02 The World Junior Championships shall be held biennially in even numbered years.
2.05 The tournament deadlines shall be set by the organizer with approval of the Chairman of the IWSF Tournament Council.
4.01 item 2 Skiers not selected for their national teams may qualify to compete in the Junior World Championships if they are ranked on the IWSF Junior World Rankings List in the top four (4) in any event including overall.
4.07 Each Federation shall be entitled to enter two skiers whether qualified or not. Such a skier who is not qualified may only compete in two events. In addition, the Federation organizing the World Junior Championships shall be entitled to enter four skiers, whether qualified or not.
5.01 Slalom
(Skier's score + 18) X 1000 /(Best Score + 18)
For a skier to receive credit for these extra 18 buoys, he must have successfully completed his first pass (see Rule 14.11).
Jump
Boys (Skier's score - 20) X 1000 /(Best Score - 20)
Girls (Skier's score - 13) X 1000/ (Best Score - 13)
5.05 Team title is calculated as described.
6.02 Number of officials at the World Juniors
World Juniors officials 7 judges, 2 from each region with 7th being named by TC Chair from the alternate nominations.
3 boat drivers will be appointed
13.01 Girls shall use the 1.5 m ramp. Boys shall use the 1.5 m ramp unless they can show a certified result of a jump of 38m on a 1.5 m ramp in which case they may opt to jump on a 1.65 m ramp.
13.03 All skiers shall have the option of boat speed up to a maximum of 51 kpH.
13.05 Three jumps are allowed in the preliminary round as well as the final round.
14.07 The 1st pass for the Boy's division will be at 55kpH/18.25m. It will then proceed to 58kpH as shown in Rule 14.07. The 1st pass for Girls division will be at 52kpH/18.25m and then proceed to 55kpH as shown in Rule 14.07. The Boy's and Girl's final shall start at 58kpH/18.25m and 55kpH/18.25m respectively.
14.11 In the Boys' and Girls' finals, each contestant shall be required to waive at least one pass and six points shall be added to the contestant's score for each pass he elects to waive as well as the one he was required to waive, provided the first pass is perfect.
16. This Rule does not apply.
(Reference Information)
There are three Seniors Divisions as follows:
Seniors 1 ages 35 to 44
Seniors 2 ages 45 to 54
Seniors 3 ages 55 and up
The technical rules are as follows:
| Slalom | Jump (all at 1.5m except as noted) | ||
| Division | start | max | max | 
| Senior Men 1* | 55 | 55 | 57 | 
| Senior Men 2 | 52 | 55 | 54 | 
| Senior Men 3 | 46 | 55 | 51 | 
| Senior Women 1 | 52 | 55 | 51 | 
| Senior Women 2 | 49 | 55 | 48 | 
| Senior Women 3 | 43 | 55 | 48 | 
*The Senior Men 1 division competitors may optionally select a 1.65m ramp height.
Overall Scoring
Scores shall be determined as per Rule 5.01 with the exception of the following change in the jump formula:
Men
1000 X(Skier's score minus 20)/(Best score -20)
Women
1000 X (Skier's score minus 14)/(Best score-14)
For slalom scoring the formula will be as follows: 1000 X (Skier's score plus offset) / (Best score plus offset)
Buoy offsets in slalom for each division
| Senior Men 1 | 24 | 
| Senior Men 2 | 18 | 
| Senior Men 3 | 6 | 
| Senior Women 1 | 18 | 
| Senior Women 2 | 12 | 
| Senior Women 3 | 0 | 
Officials list must be approved by the IWSF TC. The list shall be sent to Chairman for this approval 30 days before the start of the tournament.
World Cup must be minimum L, R recommended. Exemptions from this may be granted by the IWSF TC if the physical site is not technically capable of an L tournament.
World Cup events must allow 1.65m jumping for men and 1.50m jumping for women per the rules.
Ties:  Ties for placement will be resolved
per the tournament rules.  World Cup points
will be assigned as follows -
a) Ties in the finals stand, i.e. two skiers tied for 6th place both get 6th place points.
b) 1st place ties always broken and only 1 skier will ever get 100 points in an event.
c) Ties in other rounds (semi-finals and all preliminaries) get broken by preceding round.
d) If the tie isn't broken, then the tied skiers get the points of that placement.
e) For the US Pro Tour bracket system, ties between paired brackets will be broken by performance
Ranking:
Only a current year points list will be
kept as the World Cup points/ranking list
The World Ranking List is a list of the best men and women skiers in each event ranked by performance. A Junior Ranking List is also produced for skiers meeting the Junior age criteria and based on skiing under junior rules. The ranking is based on the average of each skiers' two best scores from two separate tournaments. Only one score in each event is considered from each tournament. Each IWSF Federation sanctions Record Capability or World Standings List tournaments from which the performances are taken. Performances are taken from score books and submitted by the sanctioning Federation or Region. Any trick score over 10,000 points must be performed in an R tournament to be qualified for the Ranking List. If a skier records only one qualifying performance, that performance will be adjusted to make it equivalent to an average score.
If a performance in an L tournament exceeds the current World Record, it will be placed on the ranking list as one increment below the current record. If a record score is made in an R tournament, but is subsequentially rejected then the corrected score shall be used.
A separate ranking list overall will be calculated on the basis of the overall scoring described in Rule 5.06 on a tournament by tournament basis. This means that an overall score can only be achieved for the list by having an overall performance at a tournament. Event scores from multiple tournaments will not be combined to calculate an overall score. An overall score shall be from a single round of a tournament.The rounds of a tournament shall be set by the organizers and are NOT based on the first time a skier skis in a multi round tournament.
The maximum number of rounds which can count for the rankings list or records is limited to 3 (except head to head) at any one competition - meaning consecutive days at the same site.
SCHEDULE AND SUBMISSION PROCESS
October 31
This is the closing date of the list. Only performances on or before this date are accepted in the current year's listing.
December 31.
Each Federation is sent a listing containing all performances by that Federation's skiers. The Federation must verify all these performances and submit any corrections with appropriate documentation.
February 28
This is the closing date for any final corrections.
March 15
The finalized list is published and distributed.
April 30
In World Championship's years, a second list will be published using this as a last performance date.
May 30
Final publication of the list in a World Championship's year.
Scores shall be submitted electronically in the 
following format:  
Please note that one record is to be submitted for each performance
so that a three event skier skiing in a two round tournament will
have 6 records in the shown format.
Data format for individual performance records
Field  Field Name  Type       Width    Dec      Notes:
    1  LAST        Character     20             IN CAPITAL LETTERS       
    2  FIRST       Character     20             In normal mode (John Michael)    
    3  SKIER#      Character     11             Federation specific       
    4  GROUP       Character      1             1,2, or 3      
    5  COUNTRY     Character      3             Normal IOC code      
    6  SEX         Character      1             M or F
    7  TOUR        Character      8                   
    8  SL          Numeric        5      2             
    9  TR          Numeric        5                    
   10  JU          Numeric        5      1             
   11  ALT_SCORE   Numeric        7      2      If a slalom score, buoys of last pass
                                                If a jump score, optional use distance in feet
                                                If a trick score, blank       
   12  YOB         Character      2                    
   13  CLASS       Character      1             R or L for ranking list performances       
   14  ROUND       Character      2                    
   15  DIV         Character      2             division (local meaning)       
   16  PERF_QUAL1  Numeric        6      3      if slalom then line length (14.25, 13.00, etc.)
                                                if jump then ramp angle (.235, .255, .271 only)       
   17  PERF_QUAL2  Numeric        2             speed for slalom and jump only       
   18  DATE        Date           8             date of performance (if text YYYYMMDD)     
   19  SPECIAL     Character      1             J if performance done under Junior Rules
                                                F if performance is Ski Flying
   20  SPEED_CTRL  Character      1             Y=Yes, N or blank=no    
   21  SL_MISS     Character      1             * means 1st pass not complete (optional if 
                                                score is already adjusted)
   22  PLACE       Numeric        3      0      Placement in the event - use the final placement
                                                in each performance record so if the skier placed 2nd
                                                and the tournament was 3 rounds, each round record
                                                will indicate 2nd place.  Also, the placement is for the
                                                division the skier skied in so that a tournament will
                                                have a corresponding set of placements for each division.
** Total **                     116
   Additional fields for local meaning may be added here such as Club, or State, or League.
Sample text inputs
HINMAN;Dana;USA1234;;USA;M;98S056R;46.50;;;4.50;80;R;1;IB;13.00;58;19980524;;Y;;3
HINMAN;Dana;USA1234;;USA;M;98S056R;;4100;;;80;R;1;IB;;;19980524;;Y;;10
HINMAN;Dana;USA1234;;USA;M;98S056R;;;52.8;173.0;80;R;1;IB;0.255;51;19980524;;Y;;1
Round 1 shown all three events with a ; delimiter
Data may now be submitted directly to iwsf.com via the Ranking List Data
submission function in the following forms.Year of Birth is only mandatory for Junior age skiers.
Special Condition Code now has two
cases and they are 
Ranking Lists are currently published two times a year for results less than one year old on the following dates: April 30 and October 31.
The normal procedure will be that performances are submitted any time up to 30 days after the results closing dates (listed above). A preliminary list will then be published. Certified changes may be submitted for 30 days after the publication of the preliminary list. At that point, results will be closed and a final list shall be published.
The lists shall be published on the World Wide Web at the IWSF Home Page
Address - http://www.iwsf.com/
If you do not have access to this method of publication, contact your federation or region administrator for a copy of the preliminary or final list.
 
 
| Dimensions | Range | Tolerance | 
| Overall = 259m | 258.353-259.648 | 1/4% | 
| A = 27m | 26.865-27.135 | 1/2% | 
| B = 41m | 40.795-41.205 | 1/2% | 
| C = 29.347m | 29.200-29.494 | 1/2% | 
| D = 47.011m | 46.776-47.246 | 1/2% | 
| E = 1.25m | 1.188-1.313 | 5% | 
| F = 11.5m | 11.385-11.615 | 1% | 
| G = 1.15m | 1.035-1.265 | 10% | 
Note: The average of the six measured F dimensions cannot be less than 11.48 m.
Buoy colors as follows:
End Gates - Red
Skier Buoys - Red
Boat Guide buoys - Yellow
Timing Buoys - Color other than red or yellow, green recommended (Timing buoys are the buoys at the gate of the 3rd buoy on the timer side of the boat (left) in the direction of travel of the boat).
From both ends of the slalom course, the boat timing buoy which is at the level of the third skier buoy shall be located within +/- 11.5 cm of a position which is 109/259-ths of the actual distance between the entrance and exit gate buoys on that side of the course.
As an option, boat path alignment gates of colors contrasting to the official course buoys (green recommended), may be placed outside the official course at a distance of 55m before the entrance gates at either end and at the 1.15m width of the interior boat guide buoys.
Tolerance:
length 55.00 m +/- 0.275m
width 1.15 m +/- 0.115m
Also, as an option, a boat turn buoy may be placed at a distance from 140-180m in line with the course centerline.
These options are shown in Diagram - 5.
 
 
The ramp must be parallel to the jump course with a tolerance of +1.14º (1 part in 50) open and -0º closed. Open means that the high end of the ramp is turned away from the jump course. The basis of the jump course is the 15ST - 15MT line.
JUMP COURSE DIMENSIONS AND TOLERANCES
A optional buoy may be placed at 210m from the jump in line with the 150m and 180m buoy. The color will be green.
| Dimension | Range | Tolerance | 
| 210m (length) | 207.9m-212.1m | 1% | 
| 210m (off-line) | -.5m to +.5m | 0.5m | 
| 180m (length) | 178.2m-181.8m | 1% | 
| 180m (off-line) | -.5m to +.5m | 0.5m | 
| 150m (length) | 148.5m-151.5m | 1% | 
| 150m (off-line) | -.5m to +.5m | 0.5m | 
| 100m | 90M-102m | +2%,-10% | 
| 82m | 81.59m-82.41m | 0.5% | 
| 41m | 40.795m-41.205m | 0.5% | 
| 15m | 14.85m-15.15m | 1% | 
| 4m | 3.90m-4.10m | 2.5% | 
| 10m | 9.8m-10.2m | 2% | 
| BUOY | COLOR | 
| 210M | GREEN | 
| 180M | RED | 
| 150M | YELLOW | 
| 15ST | RED | 
| 19ST | RED | 
| 15MT | YELLOW | 
| 19MT | YELLOW | 
| 15ET | RED | 
| 19ET | RED | 
| 15EC | YELLOW | 
| 19EC | YELLOW | 
The following diagram shows the placement of an optional turn buoy as well as the official trick course. It is highly recommended that the optional turn buoy be used.
 
 
The following diagram shows the placement of an optional turn buoy for the official jump course shown in Diagram 2. It is highly recommended that the optional turn buoy be used.
 
 
The following diagram shows the placement of an optional turn buoy and optional pre-gates for the official slalom course shown in Diagram 1. It is highly recommended that the optional turn buoys and Pre-Gates be used.
 
 
The following diagram shows the placement of the judges' towers for the official slalom course shown in Diagram 1.
 
 
The following diagram depicts the dimensions detailed in Rule 10.01(c).
 
 
Each frame is separately attached to the cable.
The frame must be horizontal in the water.
The 2 main bars of the frame must be perpendicular, so the length of the guy wires must be calculated in order to have a 90° angle and keep the frame square.



Typical handle measurement device.
 
 
 
 
Distance AB=BC=25m
A-B-C is a straight line
Jump position relative to A; 10m back, 40m out.
Jump is exactly parallel to ABC.
Note: The example shown is theoretical and does not imply that jump setups must conform to this diagram.
For jump distances and records to be certified, the jump meters must be set up so that the angles read from each station, using the official protractors, to the sighting mark (c.f. 13.02i) produce an error triangle with an inscribed circle diameter of less than or equal to 15cm.
Note: This does not apply if an alternative measurement system has been approved for use.
For the setup shown, some examples might be as follows:
| A | B | C | X | Y | Tri. | Status | 
|---|---|---|---|---|---|---|
| 75.9638 | 48.8141 | 33.6901 | 10.0 | 40.0 | 0.0 | OK | 
| 76.0 | 48.8 | 33.7 | 9.99 | 39.99 | 0.031 | OK | 
| 75.9 | 48.9 | 33.6 | 9.94 | 39.93 | 0.169 | BAD | 
Note: X and Y positions are rounded to .01m.
To verify that a computer program is computing distances according to the IWSF Rules, the operator must show that it produces identical results with the test cases that follow based on the setup given in the diagram. Note that triangle size is rounded to .001m
| A | B | C | |||
|---|---|---|---|---|---|
| # | Upper /Lower | Upper/Lower | Upper/Lower | Dist | Trian | 
| 1. | 136.6/136.6 | 106.8/106.8 | 65.6/65.6 | 45.5 | 0.0 | 
| 2. | 136.0/136.0 | 106.0/106.0 | 67.0/67.0 | 45.5 | 0.560 | 
| 3. | 136.9569/136.2431 | 107.2972/106.3028 | 66.073/65.127 | 45.5 | 0.0 | 
| 4. | 136.96/136.24 | 107.3/106.3 | 66.1/65.1 | 45.5 | 0.0 | 
| 5. | 136.6/137.32 | 106.8/107.8 | 66.6/65.6 | 45.5 | 0.0 | 
| 6. | 137.751/137.751 | 106.8/106.8 | 65.6/65.6 | 45.7 | 0.600 | 
| 7. | 137.753/137.753 | 106.8/106.8 | 65.6/65.6 | 45.3 | 0.601 | 
| 8. | 136.6/135.8 | 106.8/106.8 | 65.6/65.6 | 45.5 | 0.211 | 
| 9. | 136.7963/136.7963 | 106.8/106.8 | 65.6/65.6 | 45.5 | 0.103 | 
| 10. | 136.7964/136.7964 | 106.8/106.8 | 65.6/65.6 | 45.6 | 0.104 | 
Case 7. Possible Reride
Longest Vertex 46.1
Shortest Vertex 45.3
Algebraic Solution of the Inscribed Circle where the absolute positions of the vertices of the triangle are known.
R. Corson
Friday, November 13, 1992
This solution assumes that the triangle vertices have been found as required by normal trigonometric solution.
 
 
r=SQRT[(p-a)*(p-b)*(p-c)/p] p=(a+b+c)/2 X1=Xa+(p-a)*(Xc-Xa)/b Y1=Ya+(p-a)*(Yc-Ya)/b X2=Xa+(p-a)*(Xb-Xa)/c Y2=Ya+(p-a)*(Yb-Ya)/c X3=Xb+(p-b)*(Xc-Xb)/a Y3=Yb+(p-b)*(Yc-Yb)/a Using the general formula (X-h)^2 + (Y-k)^2 = r^2 and substituting in (X1, Y1), (X2, Y2) and (X3, Y3) and solving the three equations simultaneously gives: X1^2-2*X1*h+h^2 + Y1^2-2*Y1*k+k^2 - r^2 = 0 (1) NOTE: X1^2 = X1*X1 X2^2-2*X2*h+h^2 + Y2^2-2*Y2*k+k^2 - r^2 = 0 (2) X3^2-2*X3*h+h^2 + Y3^2-2*Y3*k+k^2 - r^2 = 0 (3) Where subtracting (2) from (1) gives (4) and (3) from (2) gives (5) X1^2-2*X1*h-X2^2+2*X2*h+Y1^2-2*Y1*k-Y2^2+2*Y2*k=0 (4) X2^2-2*X2*h-X3^2+2*X3*h+Y2^2-2*Y2*k-Y3^2+2*Y3*k=0 (5) Combining terms and reducing (4) gives (6): h*(2*X2-2*X1) = -k*(2*Y2-2*Y1) + Y2^2-Y1^2+X2^2-X1^2 Combining terms and reducing (5) gives (7): h*(2*X3-2*X2) = -k*(2*Y3-2*Y2) + Y3^2-Y2^2+X3^2-X2^2 (7) Substituting the following terms: A= 2*X2-2*X1 B = 2*Y2-2*Y1 C= Y2*Y2-Y1*Y1+X2*X2-X1*X1 D = 2*X3-2*X2 E = 2*Y3-2*Y2 F = Y3*Y3-Y2*Y2+X3*X3-X2*X2 gives from (6) h=(C-B*k)/A (8) and gives from (7) h=(F-E*k)/D (9) Since (8) = (9) Then k= (D*C-A*F)/(B*D-A*E) h=(F-E*k)/D
Where h is the X coordinate of the center of the inscribed circle and k is the Y coordinate of the center of the inscribed circle.
Note that if X2=X3 the solution will not reduce and the vertices of the triangle will need to be re-labeled. This is also true of the denominator of k. However, since each of these values is calculated, the chance of this is exceedingly small, but a test should be made for it as it is certain to happen on a World Record jump.
The wording of the rule is as follows:
If the top and bottom sightings from any single meter station are more than 0.6 meter apart at the point of landing, then the average value and the single sighting with the smaller value will each be tried in turn, and whichever of these produces the smaller triangle will be used to derive the official distance.
What the specific rule means is that using the distance from the meter station to the landing point calculated by using the average of the two angles at each station, find the angle whose tangent is 0.6m. If the difference between the top and bottom readings is greater than this calculated arc tangent, then it is too great a spread and the average angle and the angle that gives a closer point to the ramp (usually the smaller angle) are then used to determine the distance by using the one of these two readings that gives the lesser inscribed circle diameter.
 
 
Instructions: For any particular ramp setting, a combination of HEIGHT at the top edge and LENGTH out of the water enclosed within the solid line is allowable. A combination that lies on the dotted (middle) line is the most desirable.
----------------------------- cut here ----------------------------
International Water Ski Federation
2000 Edition Homologation Dossier
IMPORTANT NOTICE:
It is not the intent of this form to add hours of extra
work to the homologator's job, but rather to provide a
quick checklist that gives visibility of the technical 
effort to the general skiing public.
START OF HOMOLOGATION FORM
code of competition: 
name of competition: 
Date: 
Venue: 
Organizing Country: 
Were cash prizes or merchandise awarded (Yes/No) (    )
Homologator's and Chief Judge recommendation to Tournament Council
(Fill in R-Record, L-Standing List, N-Not list capable)
Event    Round 1  Round 2  Round 3  Round 4
Slalom   (  )     (  )     (  )     (  )
Tricks   (  )     (  )     (  )     (  )
Jump     (  )     (  )     (  )     (  )
OBLIGATORY COMPOSITION OF DOSSIER:
1 copy of this document including the homologation notice
HOMOLOGATOR'S CHECKLIST
If checked and all according to rules put OK in brackets.  
If checked and any variation to the rules put an X in the brackets 
and explain in "Remarks" section on last page.  
Not applicable is NA.
1. Boats and equipment (W 10.01)            (  )
2. Speed Control (W 10.07)                  (  )
Manufacturer: 
Software Version: 
                                     slalom (  )
                                     tricks (  )
                                       jump (  )
3. Arrangement for checking skis (W 10.03)  (  )
4.  Measure lines and handles (W 10.04)     (  )
                                     slalom (  )
                                       jump (  )
                                    handles (  )
5. Arrangement for checking of skier
   supplied handles (W 10.06)               (  )
6. Timing devices (W 11.03)                 (  )
7. Homologation notice posted before start  (  )
8. Automatic timing-jump                    (  )
9. Jump distance indication (W 13.11)       (  )
10.Video Jump Distance measurement (W 13.11)(  )
   Backup - video tape or standard meters   (        )
                         
11.Automatic timing-slalom                  (  )
12.Position and height of slalom towers     (  )
   (W 14.05 and W diagram 6)
13.Slalom buoys (W 14.06)                   (  )
14.VHS video slalom endcourse (W 14.17)     (  )
15.Trick course checked (W diagram 3)       (  )
16.Position and height of trick towers      (  )
   (W 15.11)
17.Semi-automatic timing-20sec (W 15.12)    (  )
   with automatic median start              (  )
18.VHS video tricks (W15.15)                (  )
19.10,000 points review judge (W 15.15)     (  )
SLALOM COURSE TYPE   (                 )
JUMP COURSE
JUMP MEASUREMENT SETUP
VIDEO JUMP
40m Test buoy  
Survey         x (XXX.XX)  y (XXX.XX)
Video system   x (XXX.XX)  y (XXX.XX)
60m Test buoy
Survey         x (XXX.XX)  y (XXX.XX)
Video system   x (XXX.XX)  y (XXX.XX)
JUMP RAMP
Width at top (W 13.02a)                              X.XX m
Width at bottom                                      X.XX m
Top edge to 6.4m line left side (W 13.02b,h)         X.XX m
Top edge to 6.4m line right side (W 13.02b.h)        X.XX m
Top edge to 6.7m line left side (W 13.02b,h)         X.XX m
Top edge to 6.7m line right side (W 13.02b.h)        X.XX m
Length underwater from 6.7m line (W 13.02c)          X.XX m
Maximum Deviation from plane 
Diagonal string measurement (W 13.02f)               X.X cm
Center string measurement (W 13.02f)                 X.X cm
(OK/X)
Apron under water (W 13.02g)                    (  )
Apron full length (W 13.02g)                    (  )
Sighting line (W 13.02i)                        (  )
Secure anchoring (W 13.02i)                     (  )
Apron Angle  (W 13.02k)
jump height                                      X.XX m (a)
length of edge of apron from top corner to water X.XX m (b)
ratio of b/a      (X.XXX)          (      ) 
minimum  0.883   maximum  0.643
RAMP SETTING
           Right Side            Left Side
Setting    Height Length Ratio   Height Length Ratio
1.50       XXX.X  XXX.X  XXX.X  XXX.X  XXX.X  XXX.X
1.65       XXX.X  XXX.X  XXX.X  XXX.X  XXX.X  XXX.X
1.80       XXX.X  XXX.X  XXX.X  XXX.X  XXX.X  XXX.X
NON-VIDEO JUMP
Note: The following section is only to be completed if the jumps were
measured by protractors rather than video.
Automatic meter system used (Yes/No)          (  )
Protractor reading units  (Degrees/Grades)    (       )
METER SETUP
Distance  (T1 - T2/A - B)       (XXX.XX meters)
Distance  (T2 - T3/B - C)       (XXX.XX meters)
if not a straight line
Distance  (T1 - T3/A - C)       (XXX.XX meters)
Inter-meter angles (if not a straight line)
              T1/A        T2/B      T3/C
Meter T1/A    XXXXX      180.0     180.0
Meter T2/B    0.0        XXXXX     180.0
Meter T3/C    0.0          0.0     XXXXX
(note shown numbers are examples - fill in with actual
numbers)
SET UP SIGHTINGS
Angle              Ramp       15ET
T1/A upper         XXX.X      XXX.X
T1/A lower         XXX.X      XXX.X
T2/B upper         XXX.X      XXX.X
T2/B lower         XXX.X      XXX.X
T3/C upper         XXX.X      XXX.X
T3/C lower         XXX.X      XXX.X
Using average of upper and lower readings (max difference
 0.1 degrees) list the error triangles with an inscribed
 circle diameter (max 0.15)
inscribed circle diameter at ramp    X.XX meters
inscribed circle diameter at 15ET    X.XX meters
Jump system survey results (X-Y coordinates)
                X            Y
Ramp         XXX.XX      XXX.XX
Table 1/A    XXX.XX      XXX.XX
Table 2/B    XXX.XX      XXX.XX
Table 3/C    XXX.XX      XXX.XX
Buoy 15ET    XXX.XX      XXX.XX
Attach the computer printout file
at the end after the Homologation Notice
Computer program checked against  (OK/X)
"Computer Benchmark for Computed Distances"       (  )
METER STATIONS
Stability and horizontal level                  (  )
Protractors on same vertical line               (  )
Protractor graduations (max 0.2 degrees)        (  )
Radius of protractors (min 0.25 m)              (  )
Accuracy of sighting arms                       (  )
END OF HOMOLOGATION FORM
It is important to leave the above section in the exact format
as it will be processed automatically.  The following section
is where free form comments are added and attachments are made.
HOMOLOGATOR'S REMARKS
Give details of any variations of IWSF rules.  List any alterations
to the course, etc. duringthe competition.  List any malfunction
of equipment.  Give any further information which might affect the
Tournament Council's assement of the homologation.
No Remarks
Homologator:
(name and address)
Email:  
Chief Judge:
(name and address)
This homologation record has been emailed to bcorson@home.com
---------------------------------------------------------------------------------------------------------
To be posted before the tournament starts
HOMOLOGATION NOTICE
Tournament Name: 
Date: 
We recommend to the IWSF Tournament Council the following class
of homologation:
Event    Round 1  Round 2  Round 3  Round 4
Slalom   ( )      ( )      ( )      ( )
Tricks   ( )      ( )      ( )      ( )
Jump     ( )      ( )      ( )      ( )
Speed Control Manufacturer:  
Software Version:  
Mode for tricks (if applicable):________________________
Date                 _________     ________     _______
Time                 _________     ________     _______
Chief Judge                                     Homologator
____________________                          ________________
Note:  These recomendations may change during the competition.
Remarks:
End of Document